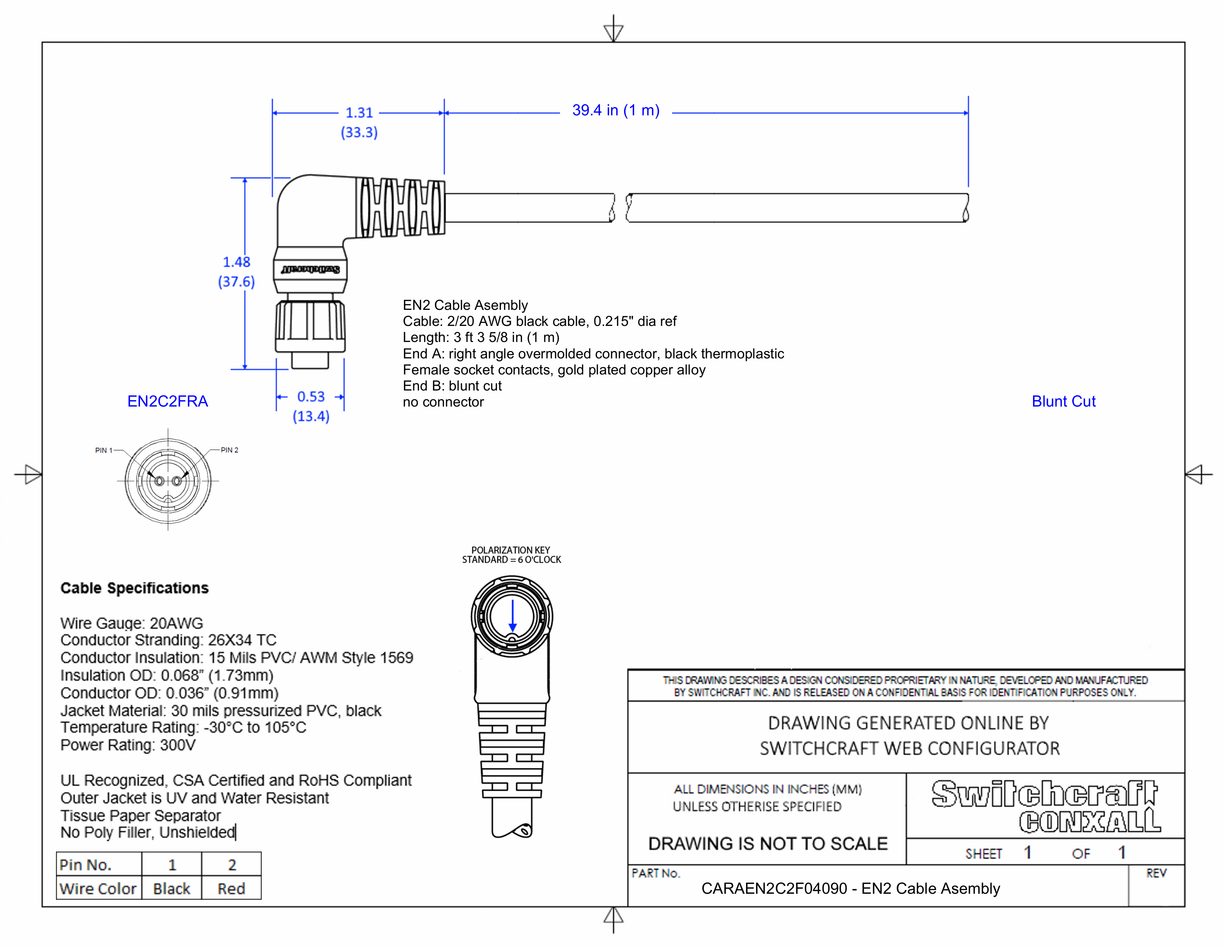
CARAEN2C2F04090

EN2 Cable Assembly, 2 Position Right Angle, Female to Blunt Cut, 1 Meter

CARAEN2C2F04090
Drawings:
 

Buy Now

View More From This Family