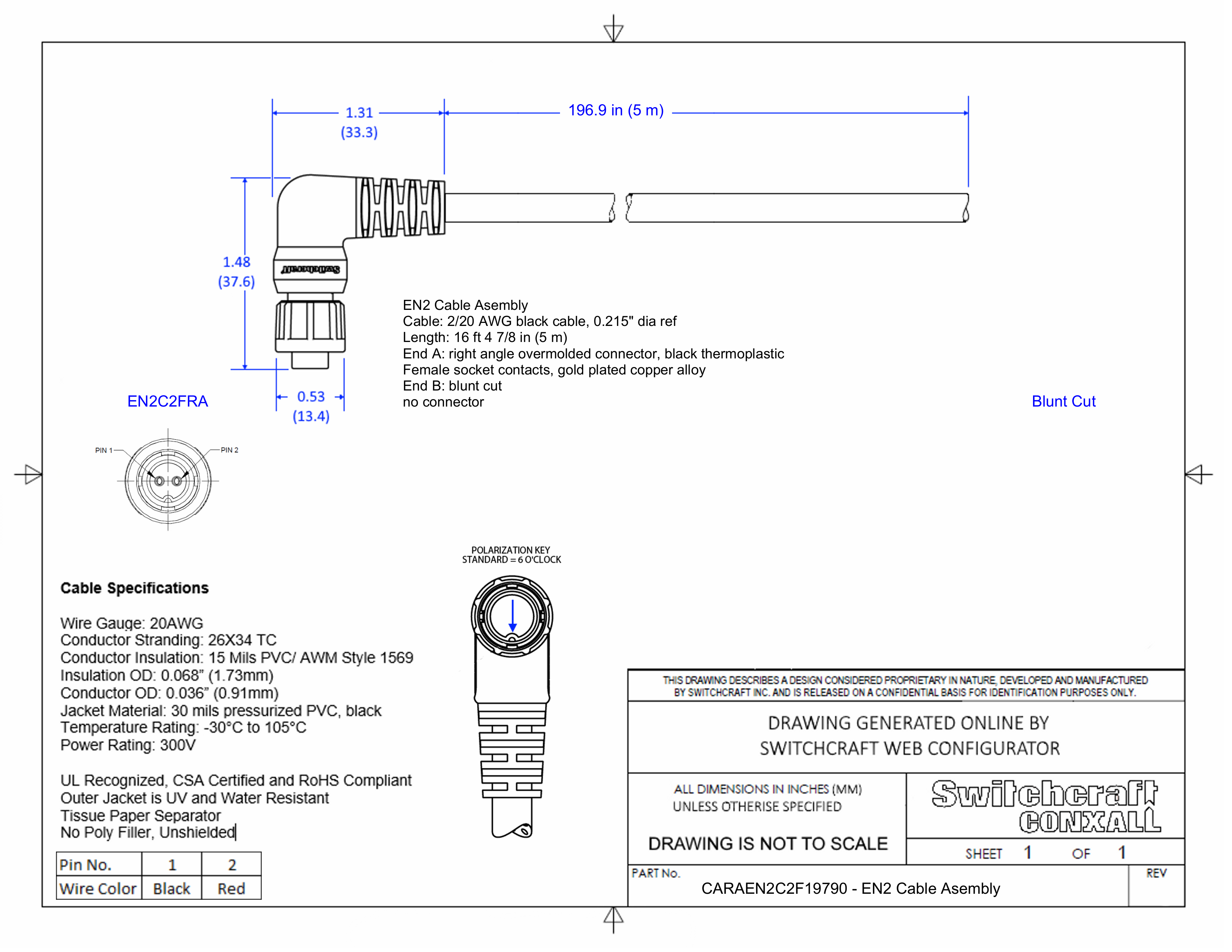
CARAEN2C2F19790

EN2 Cable Assembly, 2 Position Right Angle, Female to Blunt Cut, 5 Meter

CARAEN2C2F19790
Out of stock
Drawings:
 

Buy Now

View More From This Family