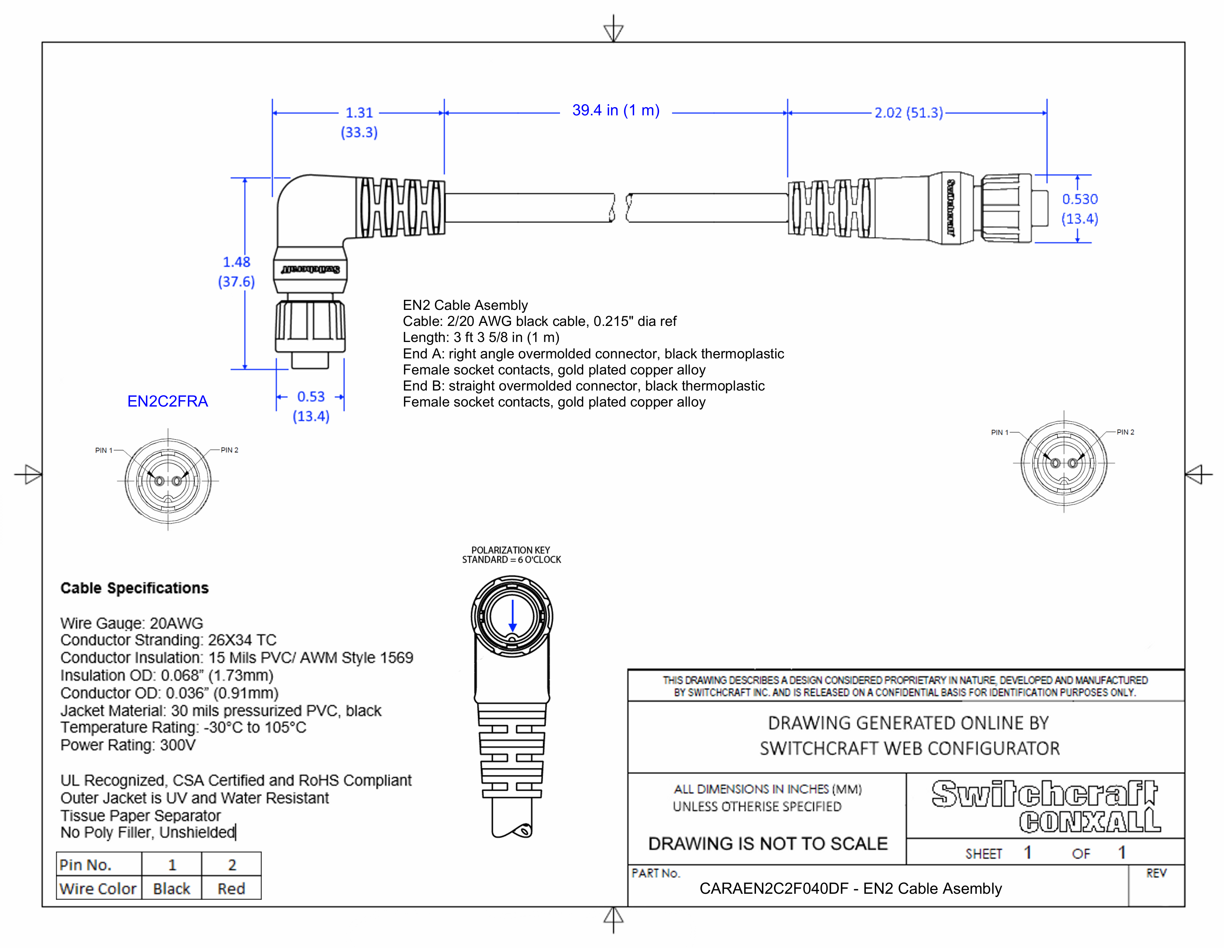
CARAEN2C2F040DF

EN2 Cable Assembly, 2 Position Right Angle, Female to Female, 1 Meter

CARAEN2C2F040DF
Drawings:
 

Buy Now

View More From This Family