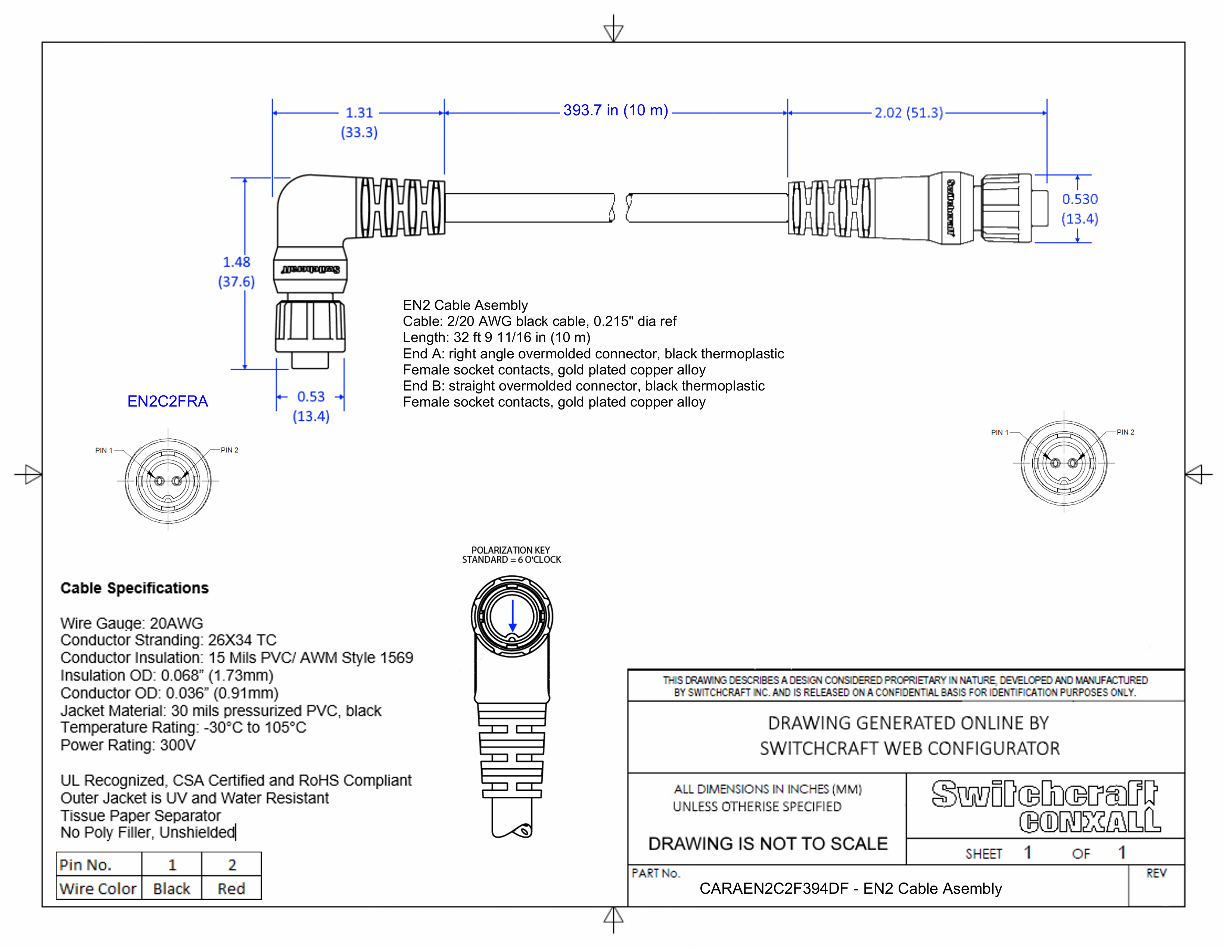
CARAEN2C2F394DF

EN2 Cable Assembly, 2 Position Right Angle, Female to Female, 10 Meter

CARAEN2C2F394DF
Drawings:
 

Buy Now

View More From This Family