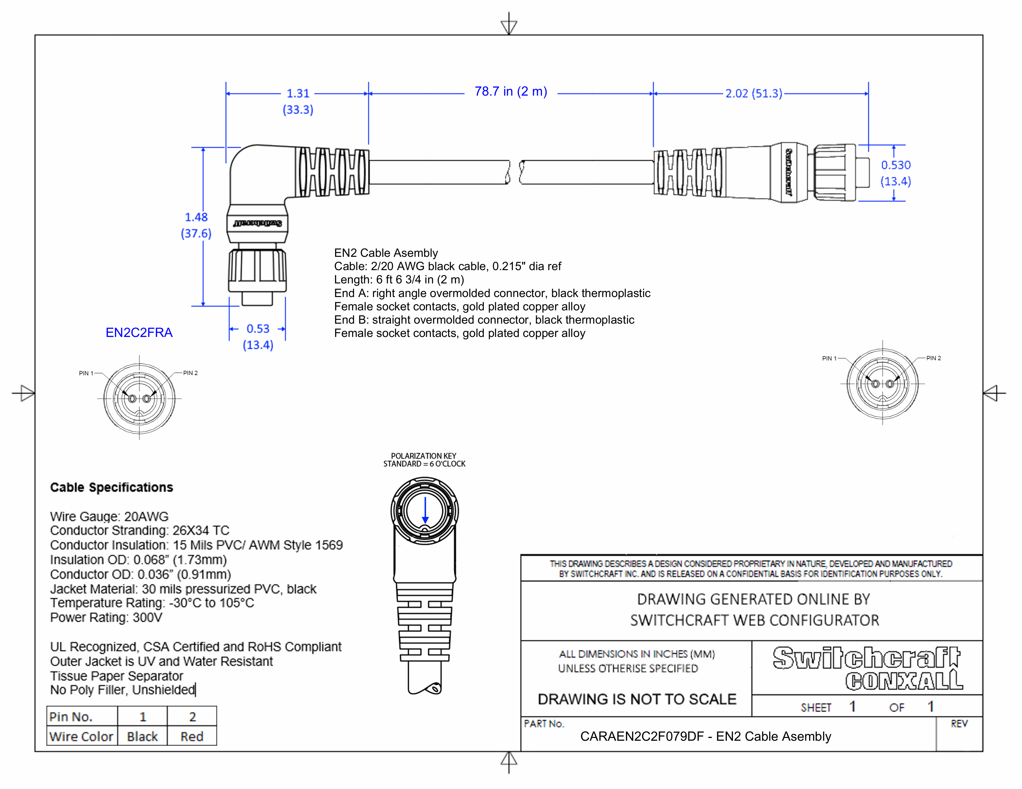
CARAEN2C2F079DF

EN2 Cable Assembly, 2 Position Right Angle, Female to Female, 2 Meter

CARAEN2C2F079DF
Drawings:
 

Buy Now

View More From This Family