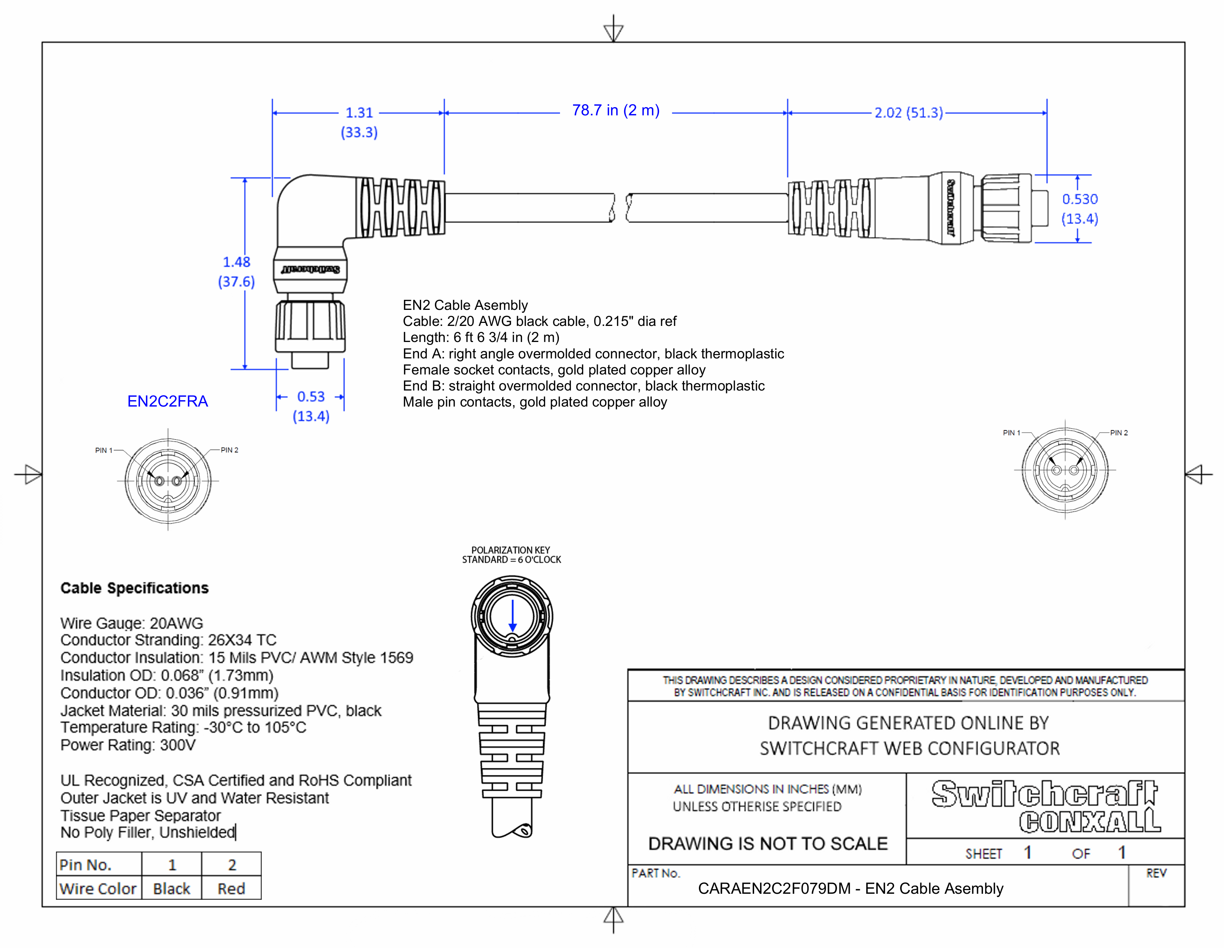
CARAEN2C2F079DM

EN2 Cable Assembly, 2 Position Right Angle, Female to Male, 2 Meter

CARAEN2C2F079DM
Drawings:
 

Buy Now

View More From This Family