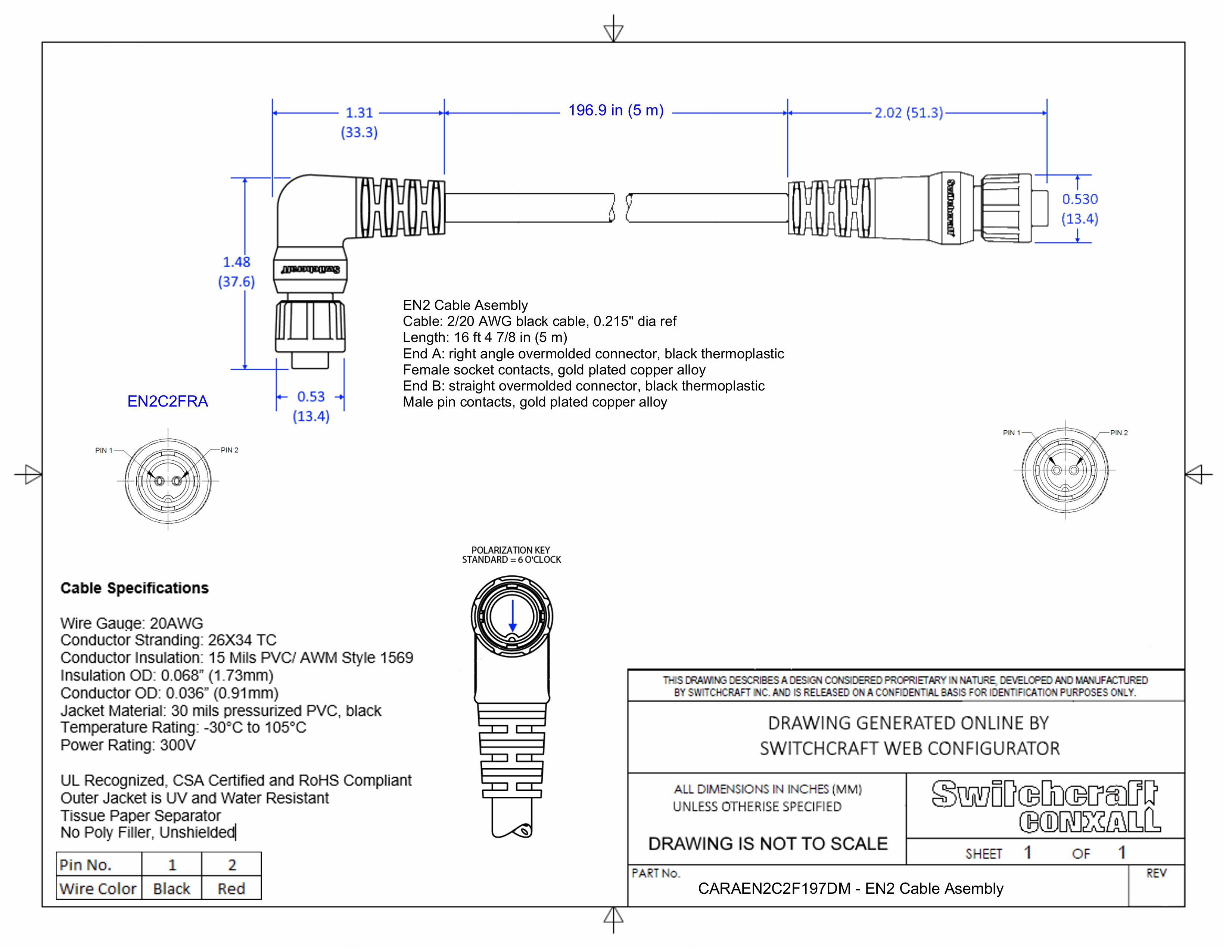
CARAEN2C2F197DM

EN2 Cable Assembly, 2 Position Right Angle, Female to Male, 5 Meter

CARAEN2C2F197DM
Drawings:
 

Buy Now

View More From This Family