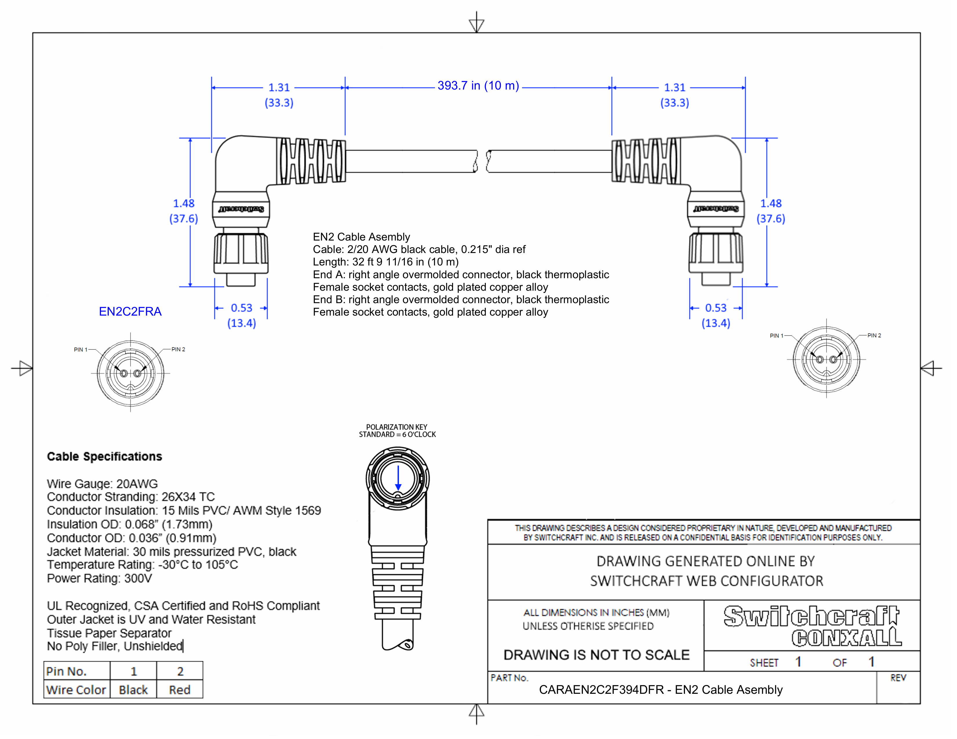
CARAEN2C2F394DFR

EN2 Cable Assembly, 2 Position Right Angle, Female to Right Angle Female, 10 Meter

CARAEN2C2F394DFR
Drawings:
 

Buy Now

View More From This Family