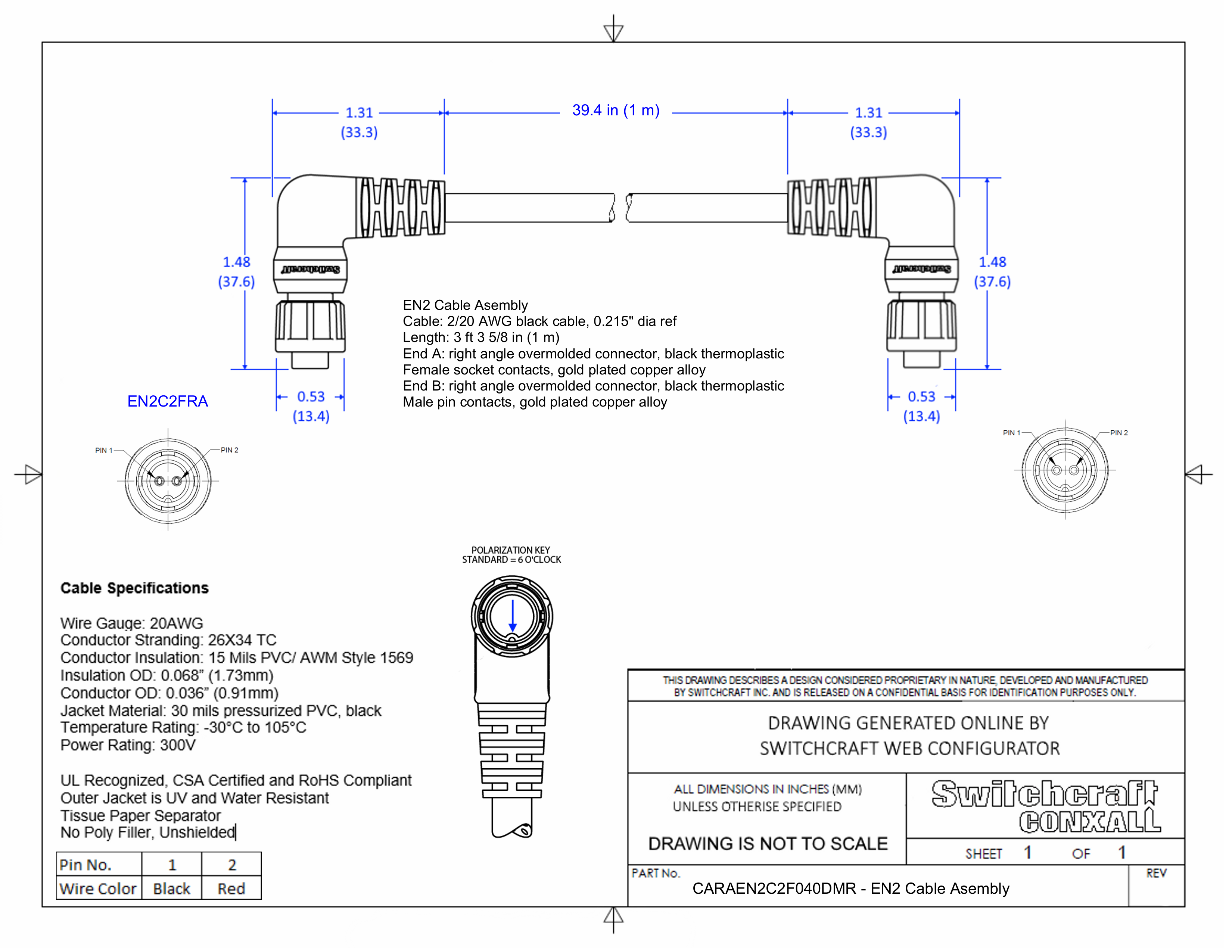
CARAEN2C2F040DMR

EN2 Cable Assembly, 2 Position Right Angle, Female to Right Angle Male, 1 Meter

CARAEN2C2F040DMR
Drawings:
 

Buy Now

View More From This Family