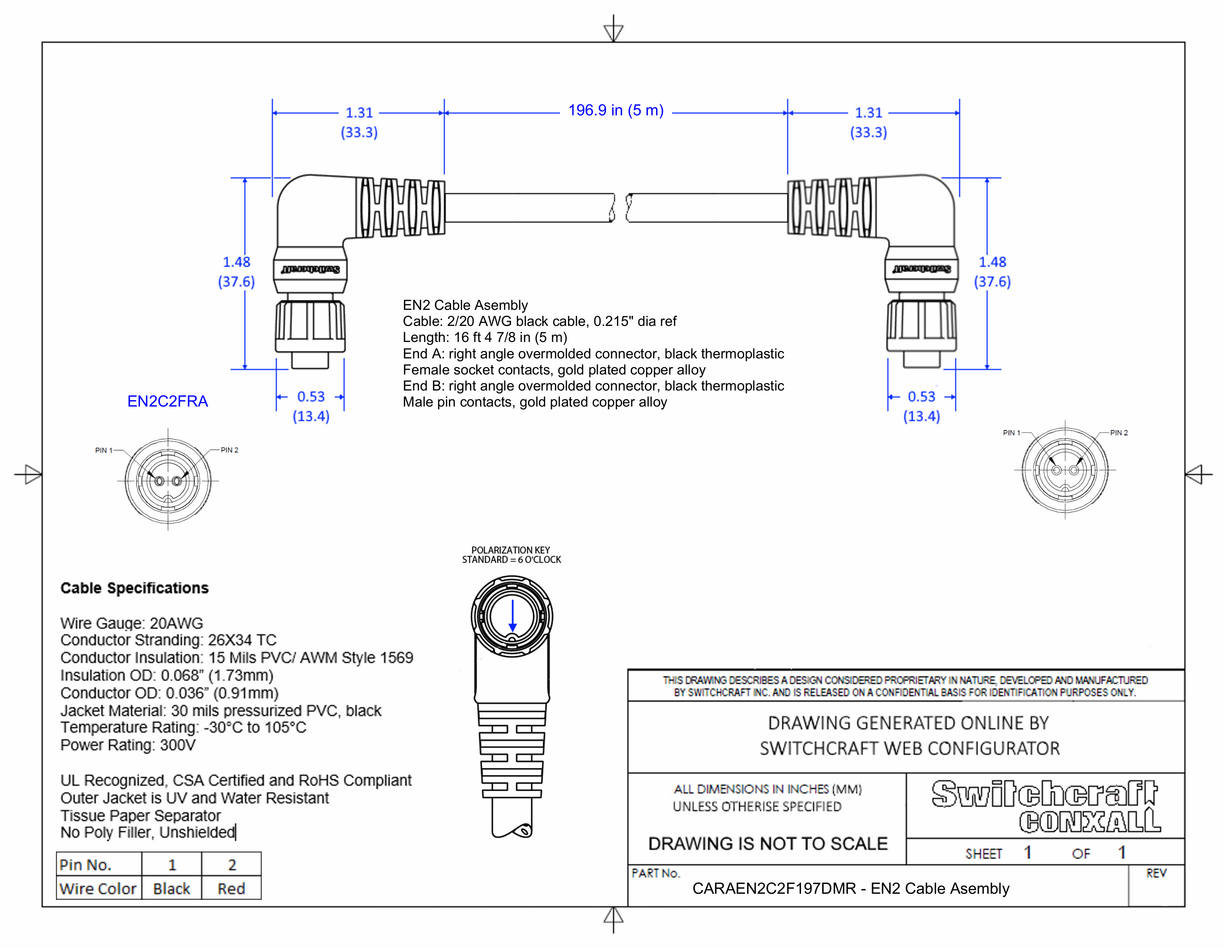
CARAEN2C2F197DMR

EN2 Cable Assembly, 2 Position Right Angle, Female to Right Angle Male, 5 Meter

CARAEN2C2F197DMR
Out of stock
Drawings:
 

Buy Now

View More From This Family