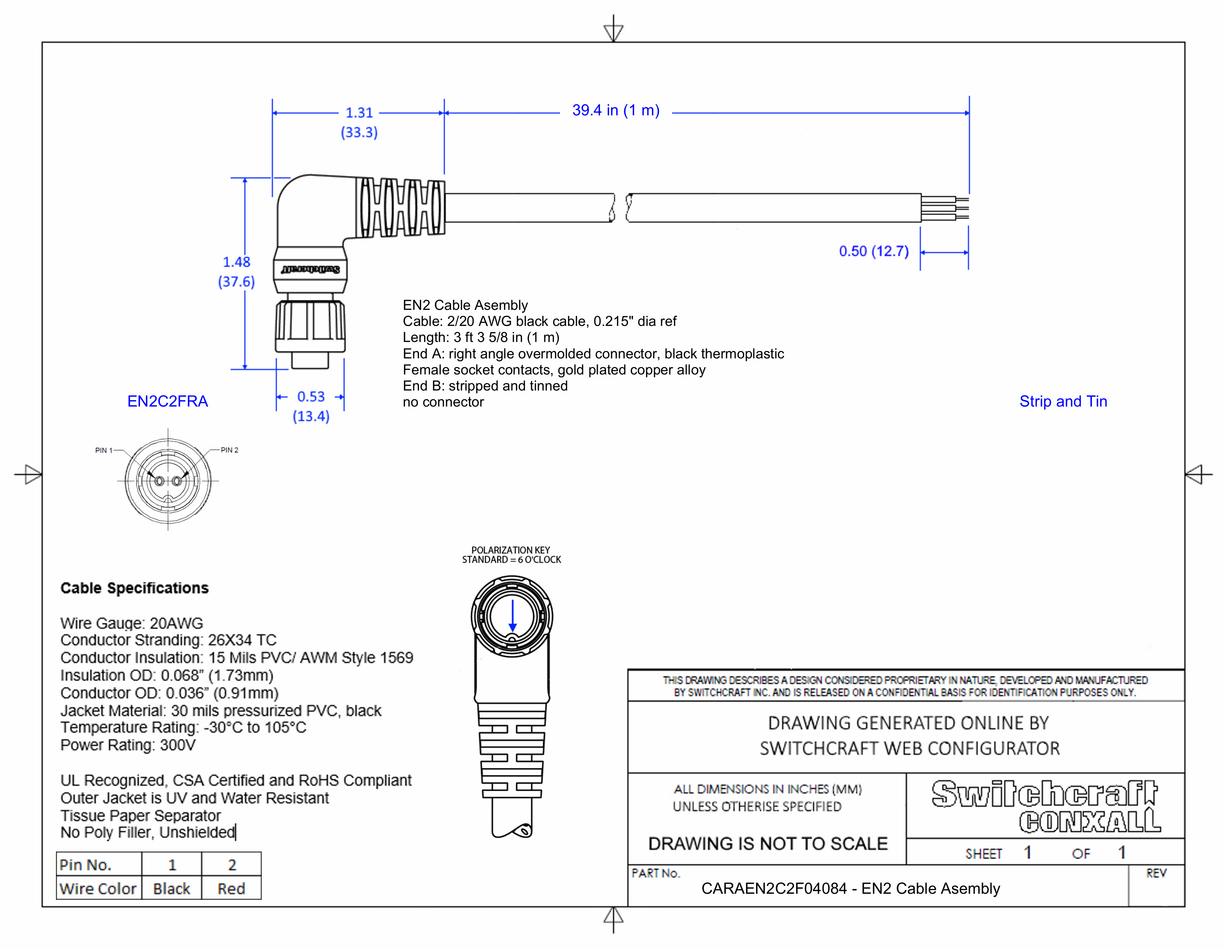
CARAEN2C2F04084

EN2 Cable Assembly, 2 Position Right Angle, Female to Strip and Tin, 1 Meter

CARAEN2C2F04084
Drawings:
 

Buy Now

View More From This Family