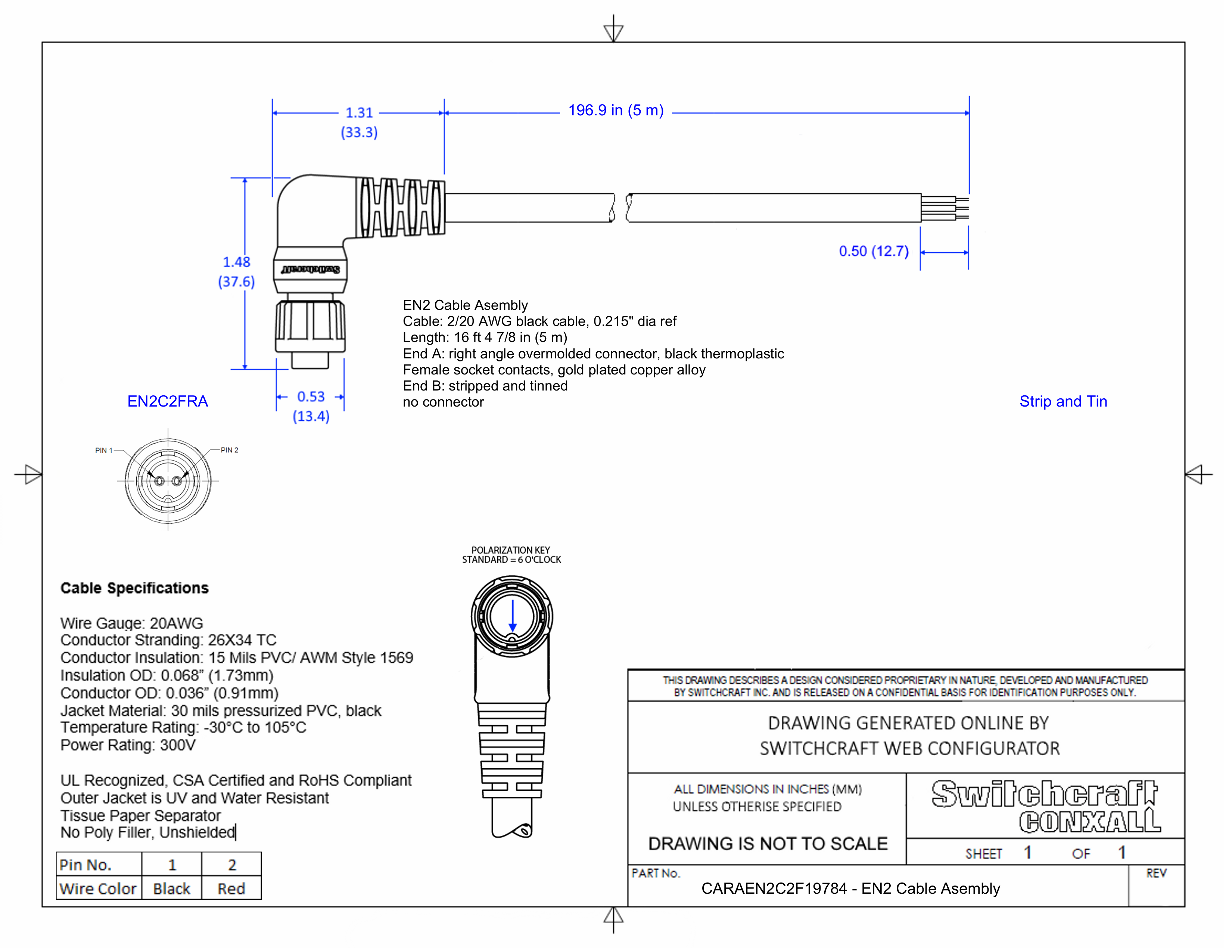
CARAEN2C2F19784

EN2 Cable Assembly, 2 Position Right Angle, Female to Strip and Tin, 5 Meter

CARAEN2C2F19784
Drawings:
 

Buy Now

View More From This Family