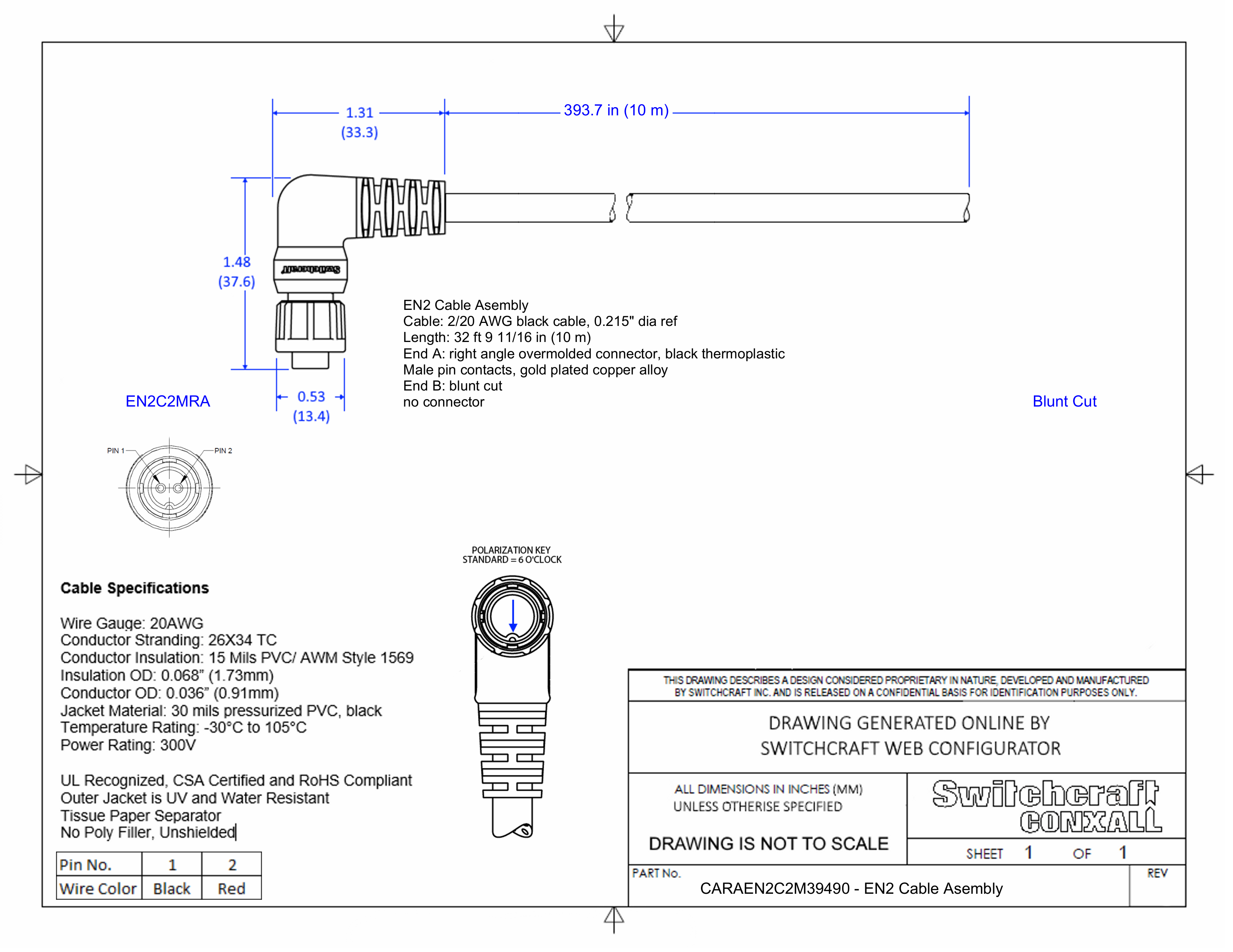
CARAEN2C2M39490

EN2 Cable Assembly, 2 Position Right Angle, Male to Blunt Cut, 10 Meter

CARAEN2C2M39490
Drawings:
 

Buy Now

View More From This Family