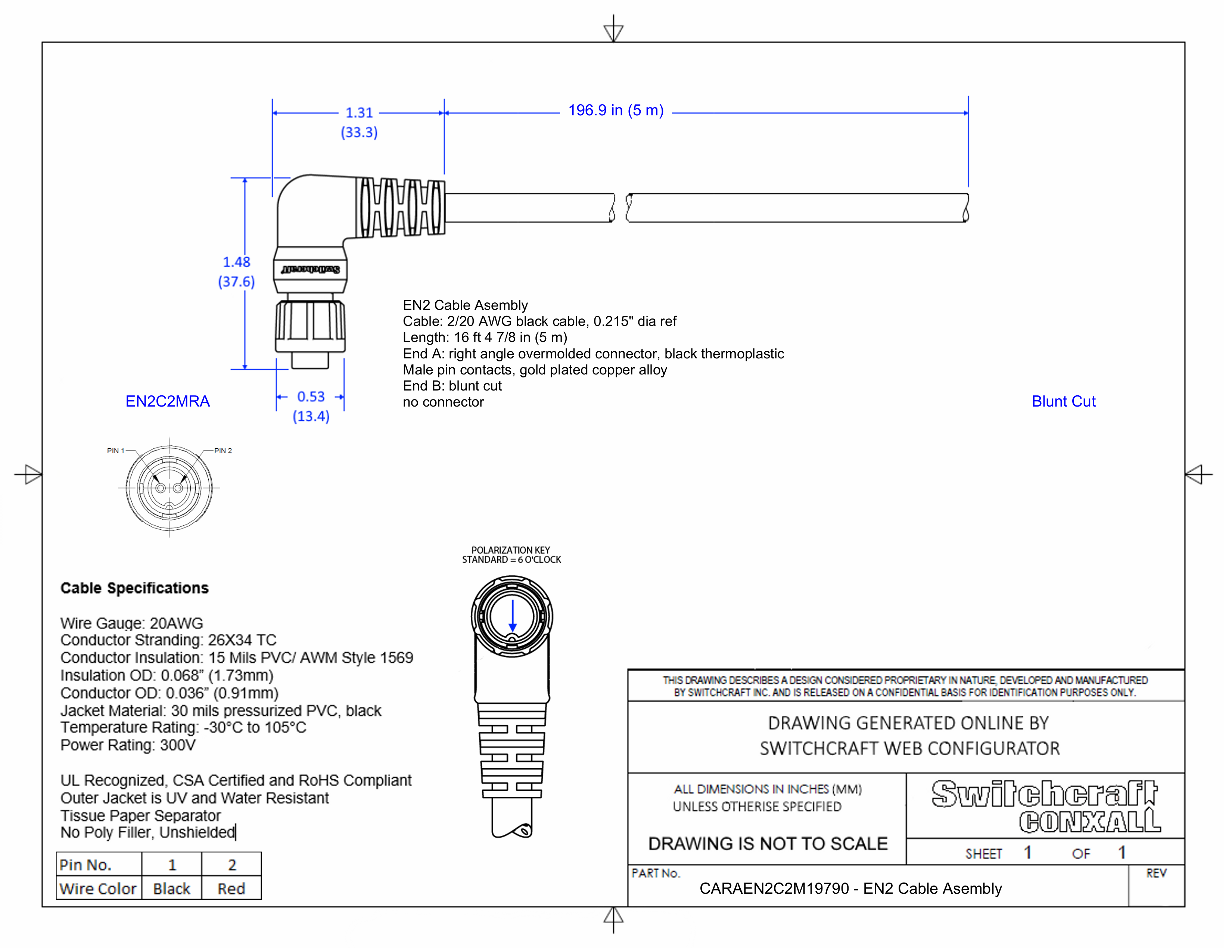
CARAEN2C2M19790

EN2 Cable Assembly, 2 Position Right Angle, Male to Blunt Cut, 5 Meter

CARAEN2C2M19790
Drawings:
 

Buy Now

View More From This Family