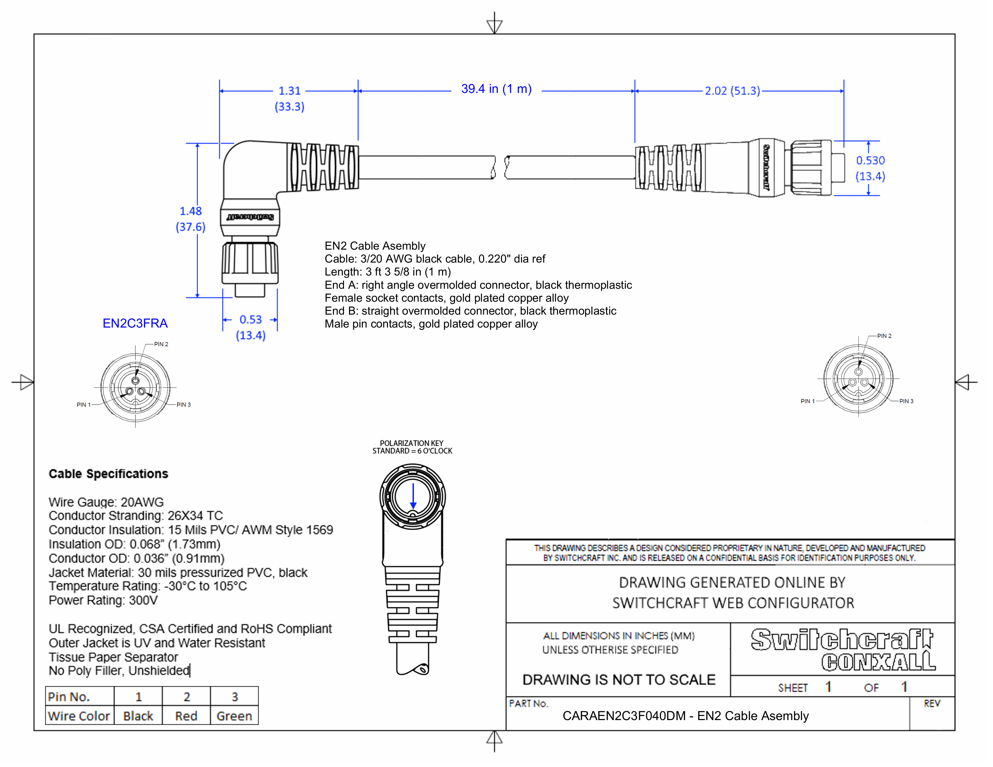
CARAEN2C3F040DM

EN2 Cable Assembly, 3 Position Right Angle, Famale to Male, 1 Meter

CARAEN2C3F040DM
Drawings:
 

Buy Now

View More From This Family