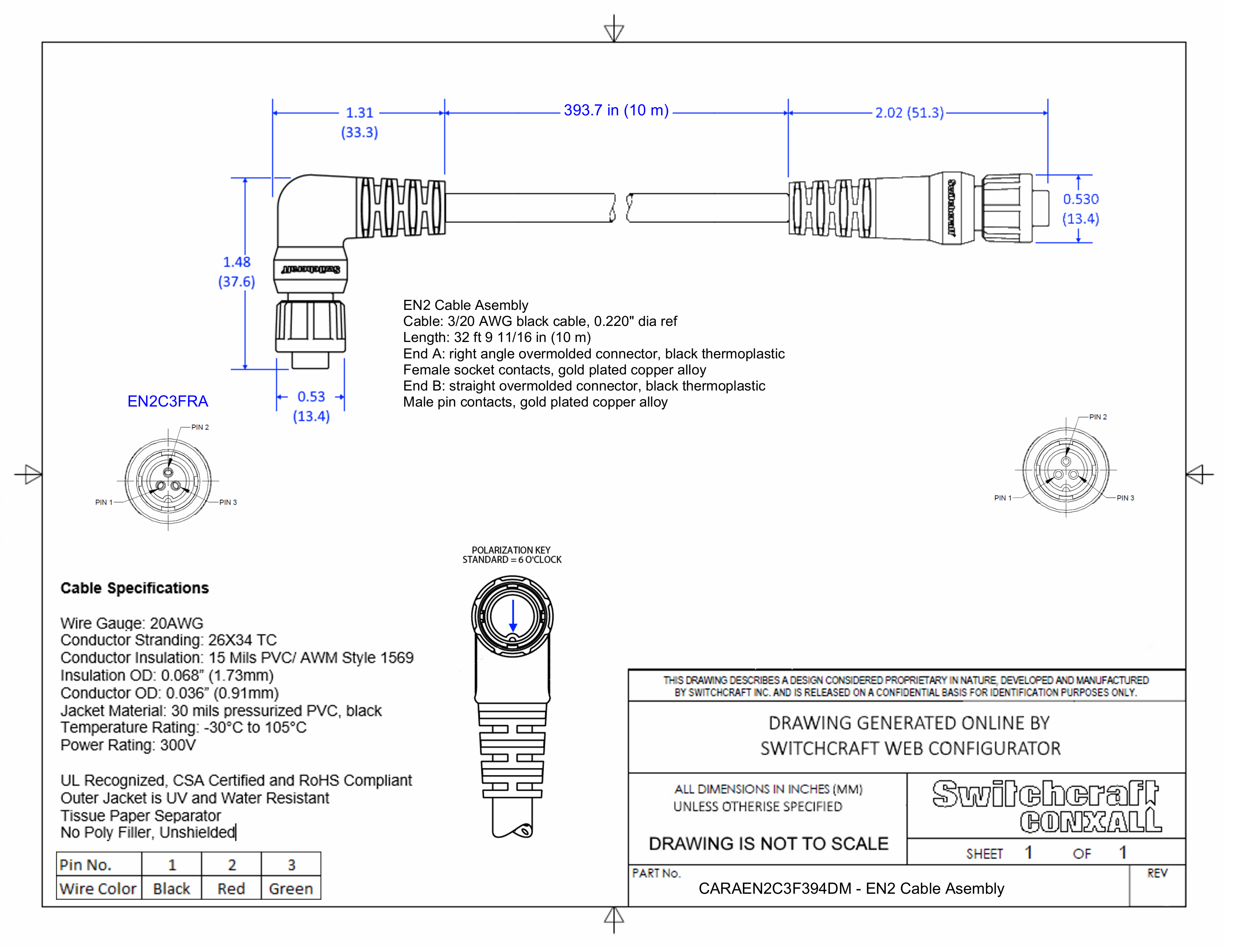
CARAEN2C3F394DM

EN2 Cable Assembly, 3 Position Right Angle, Famale to Male, 10 Meter

CARAEN2C3F394DM
Drawings:
 

Buy Now

View More From This Family