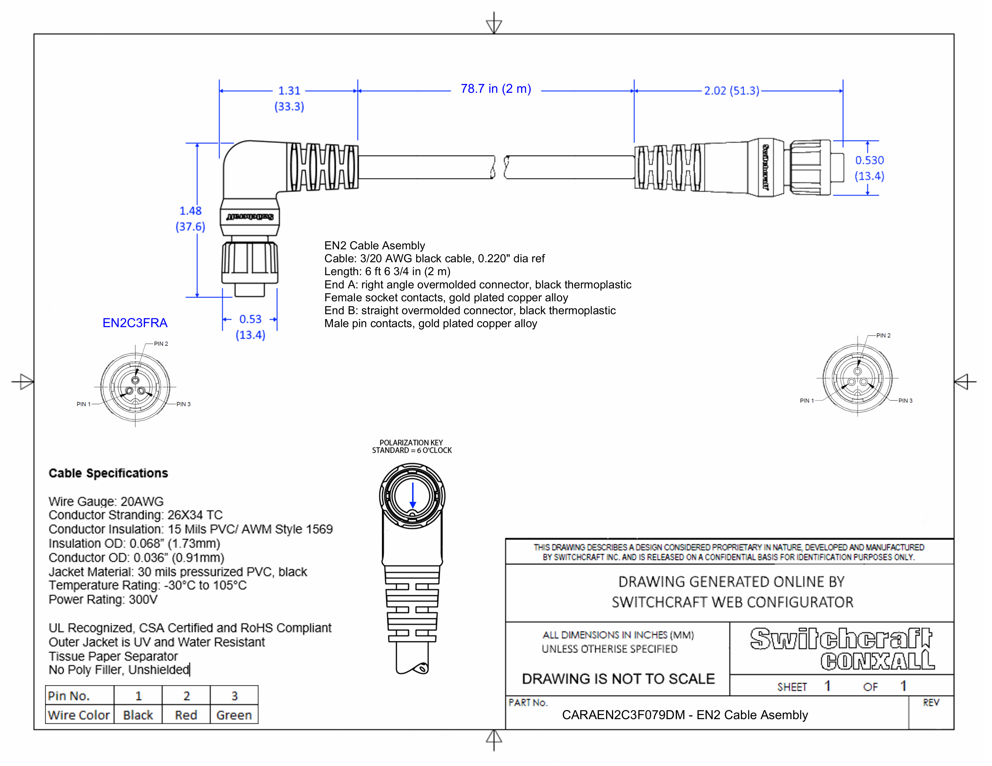
CARAEN2C3F079DM

EN2 Cable Assembly, 3 Position Right Angle, Famale to Male, 2 Meter

CARAEN2C3F079DM
Drawings:
 

Buy Now

View More From This Family