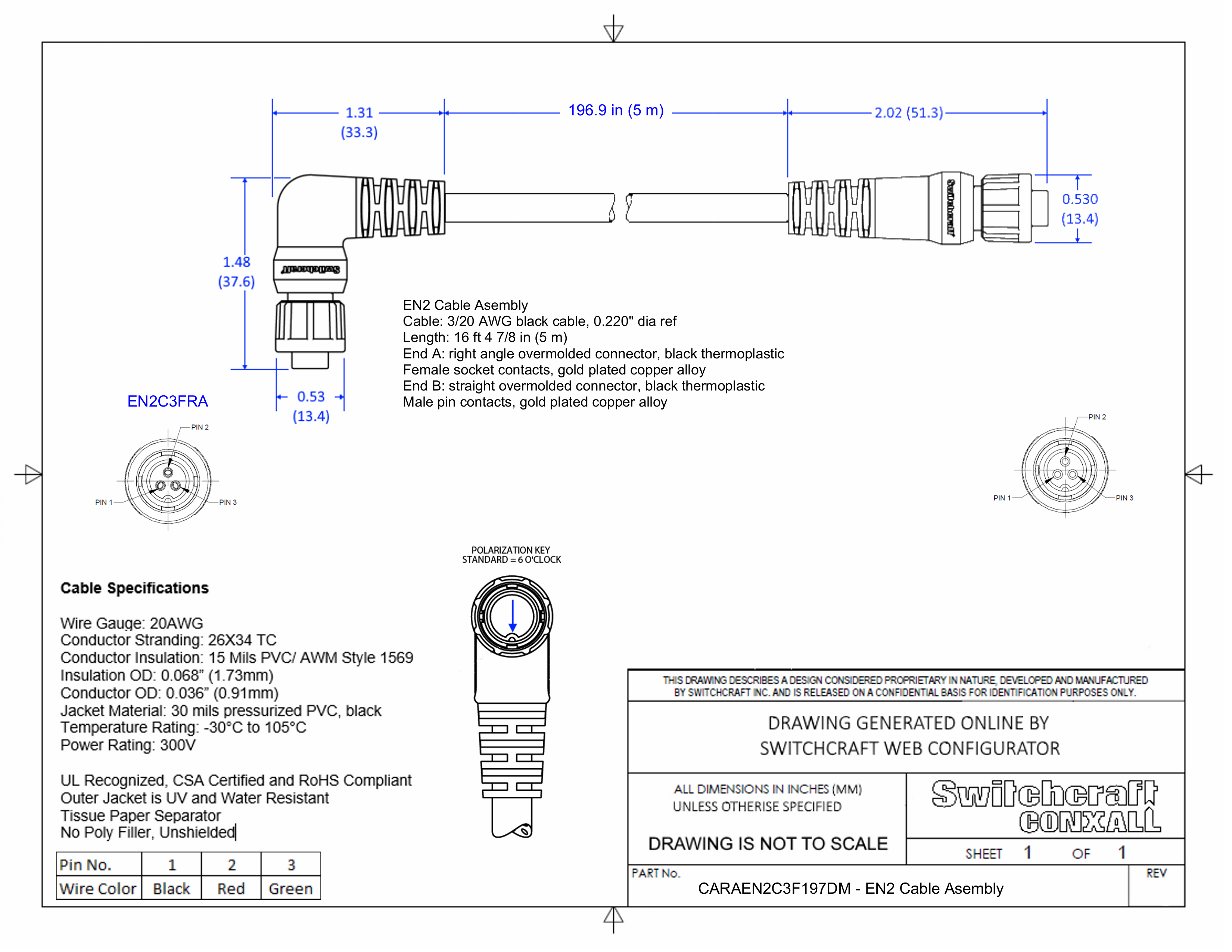
CARAEN2C3F197DM

EN2 Cable Assembly, 3 Position Right Angle, Famale to Male, 5 Meter

CARAEN2C3F197DM
Drawings:
 

Buy Now

View More From This Family