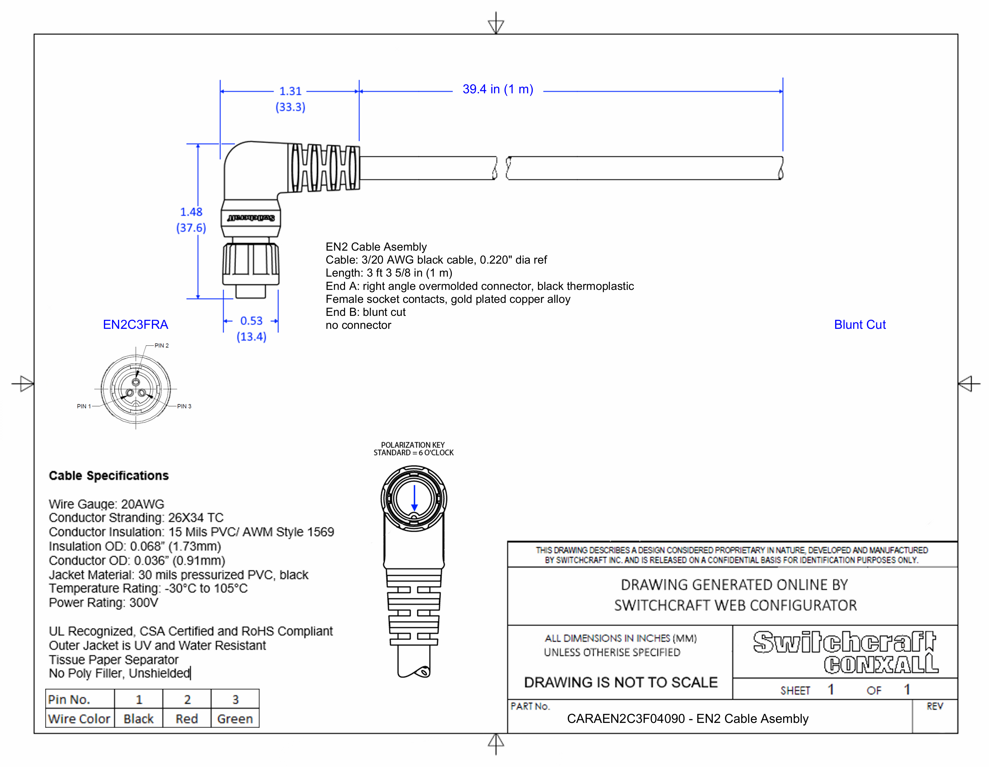
CARAEN2C3F04090

EN2 Cable Assembly, 3 Position Right Angle, Female to Blunt Cut, 1 Meter

CARAEN2C3F04090
Drawings:
 

Buy Now

View More From This Family