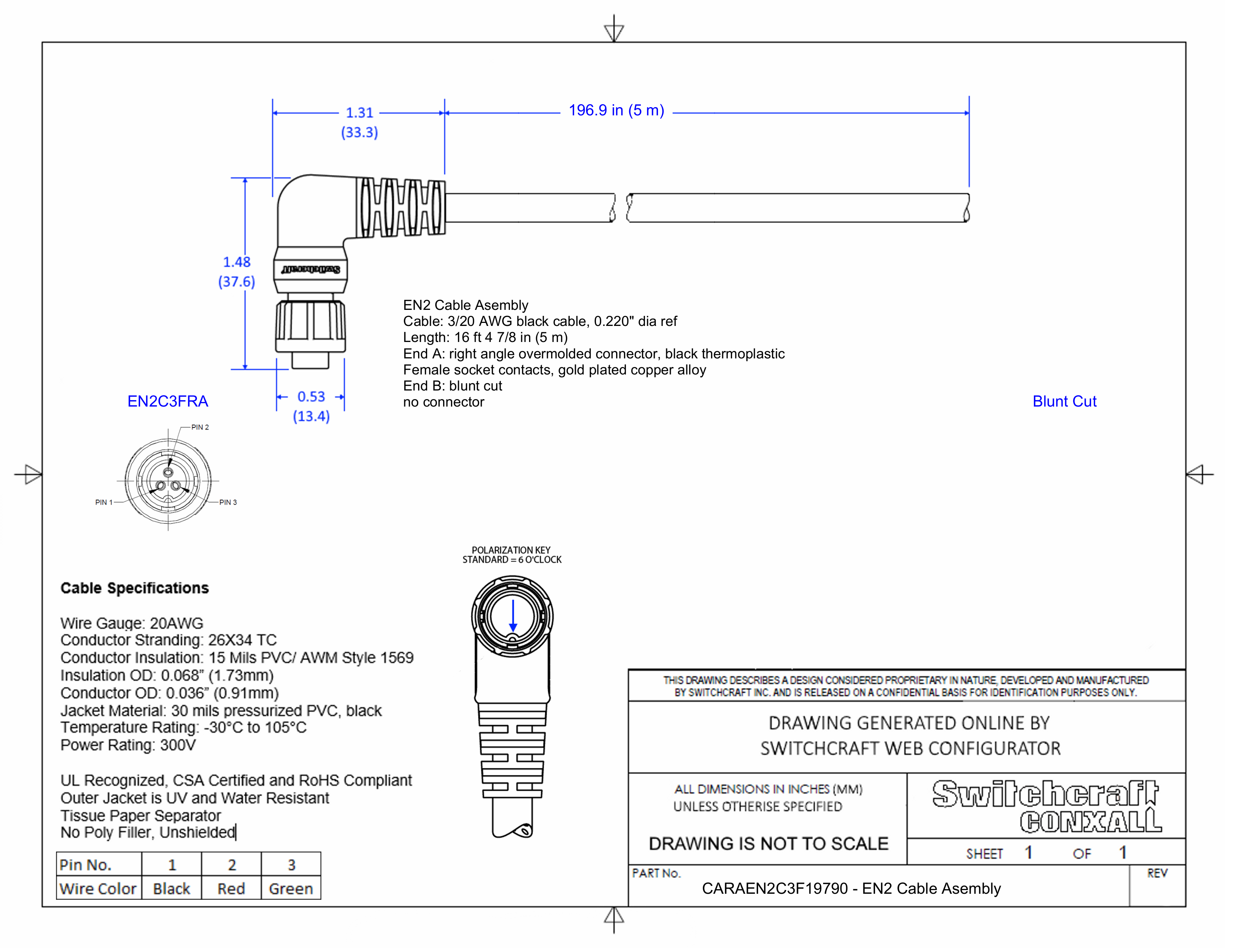
CARAEN2C3F19790

EN2 Cable Assembly, 3 Position Right Angle, Female to Blunt Cut, 5 Meter

CARAEN2C3F19790
Drawings:
 

Buy Now

View More From This Family