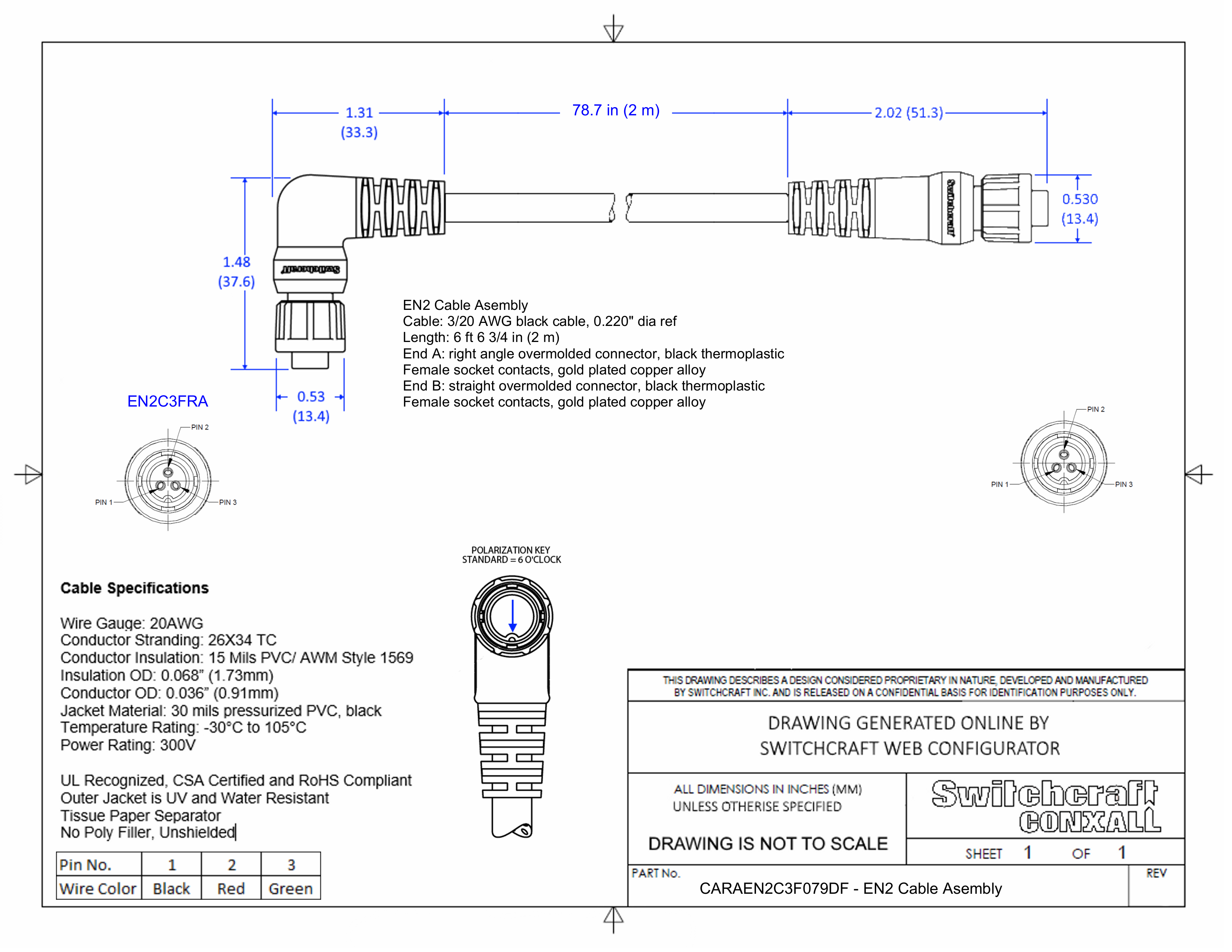
CARAEN2C3F079DF

EN2 Cable Assembly, 3 Position Right Angle, Female to Female, 2 Meter

CARAEN2C3F079DF
Drawings:
 

Buy Now

View More From This Family