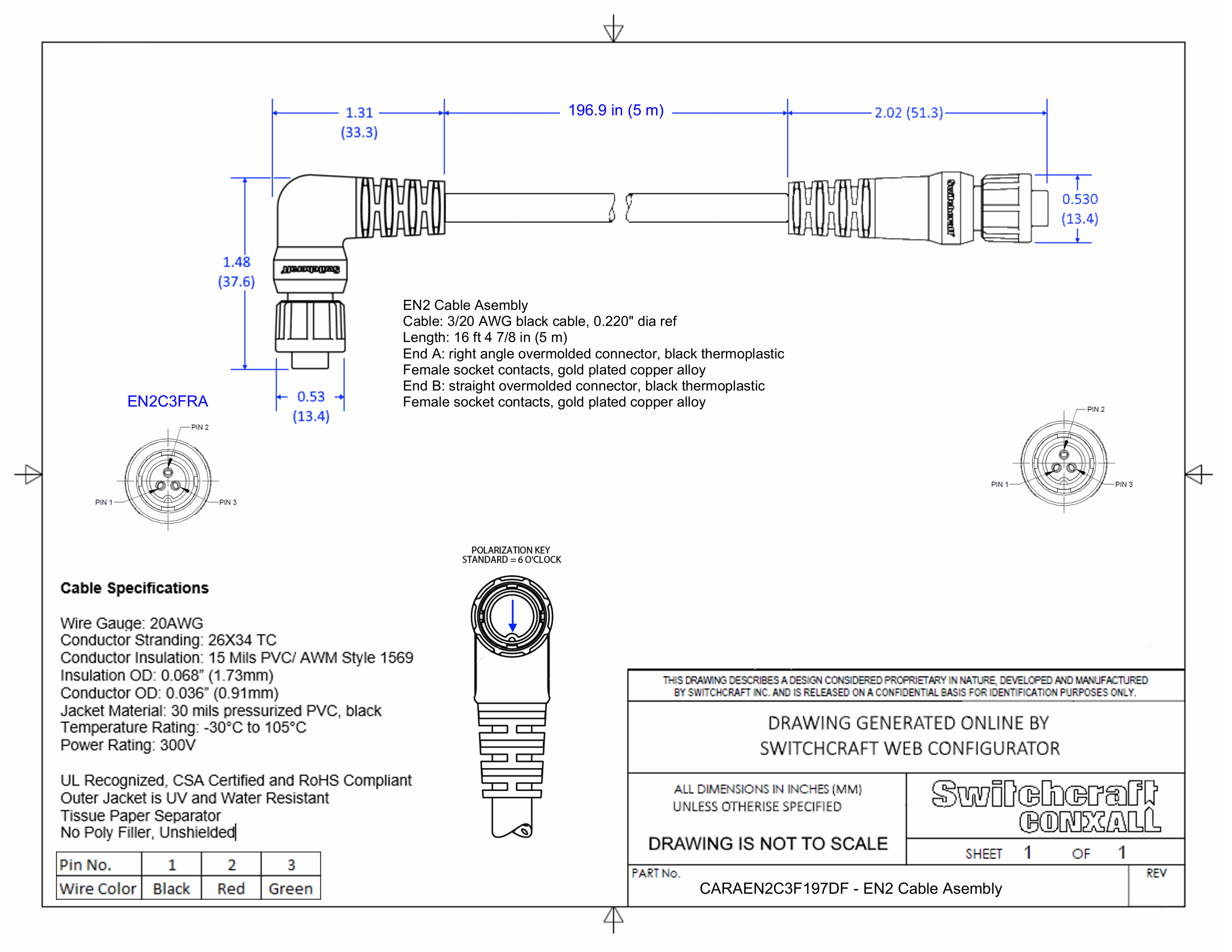
CARAEN2C3F197DF

EN2 Cable Assembly, 3 Position Right Angle, Female to Female, 5 Meter

CARAEN2C3F197DF
Drawings:
 

Buy Now

View More From This Family