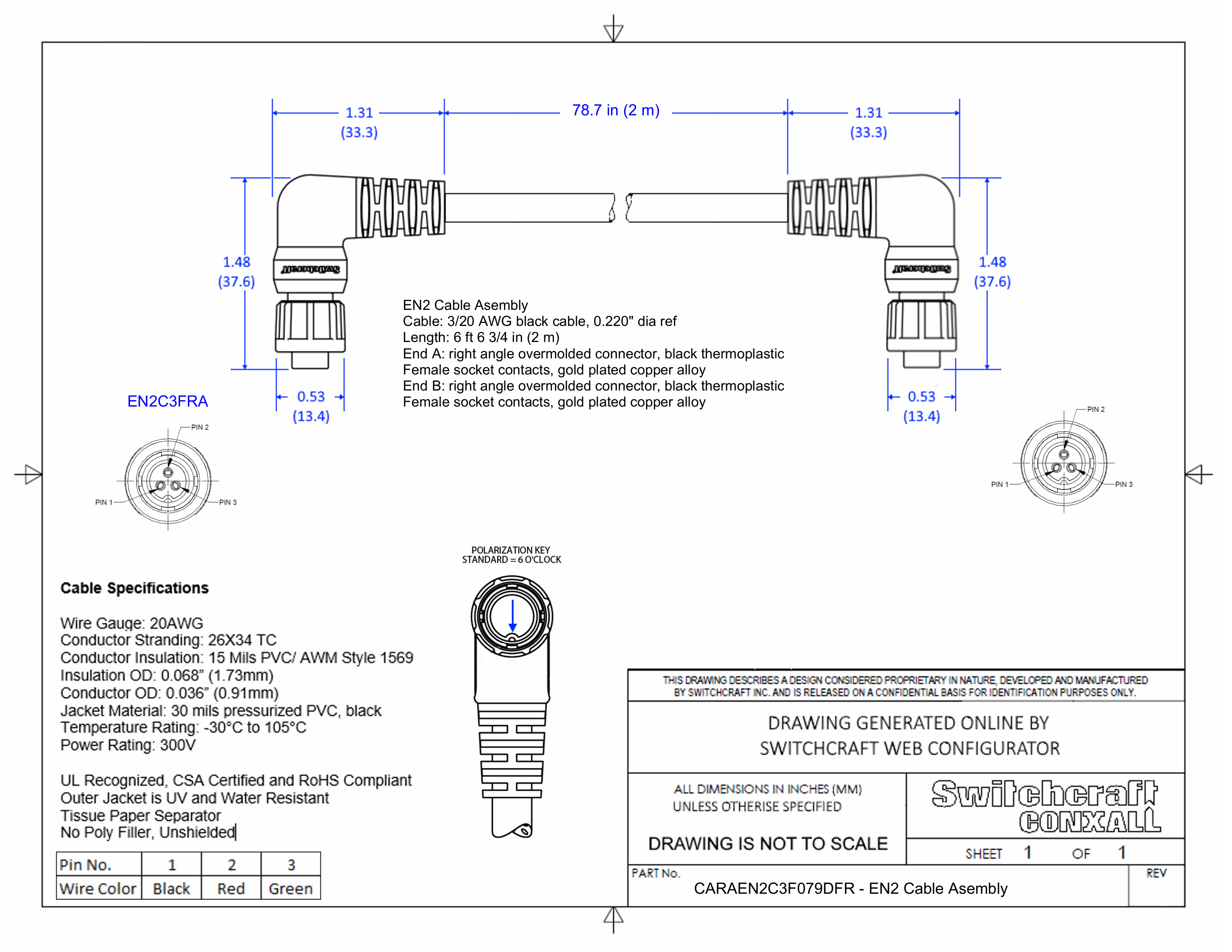
CARAEN2C3F079DFR

EN2 Cable Assembly, 3 Position Right Angle, Female to Right Angle Female, 2 Meter

CARAEN2C3F079DFR
Drawings:
 

Buy Now

View More From This Family