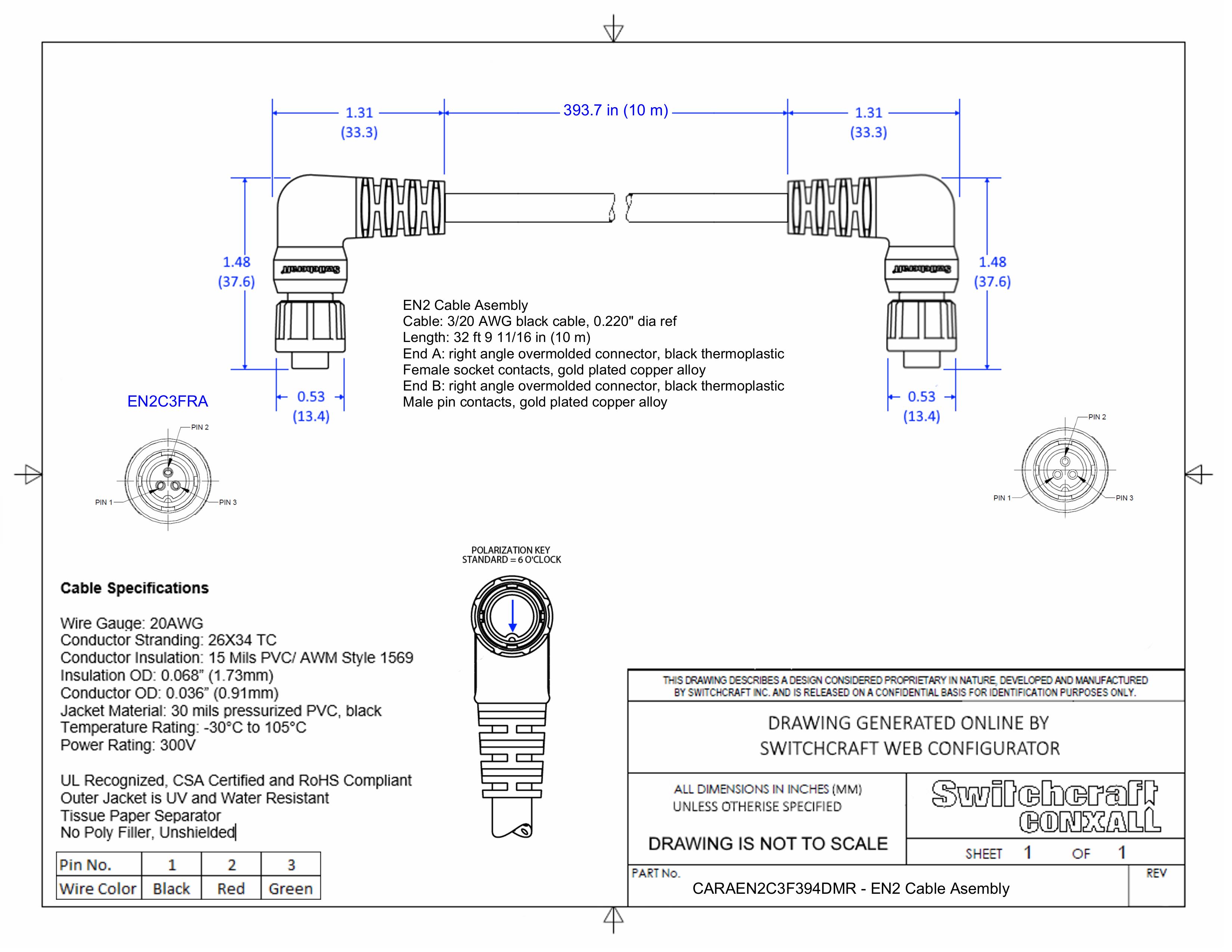
CARAEN2C3F394DMR

EN2 Cable Assembly, 3 Position Right Angle, Female to Right Angle Male, 10 Meter

CARAEN2C3F394DMR
Drawings:
 

Buy Now

View More From This Family