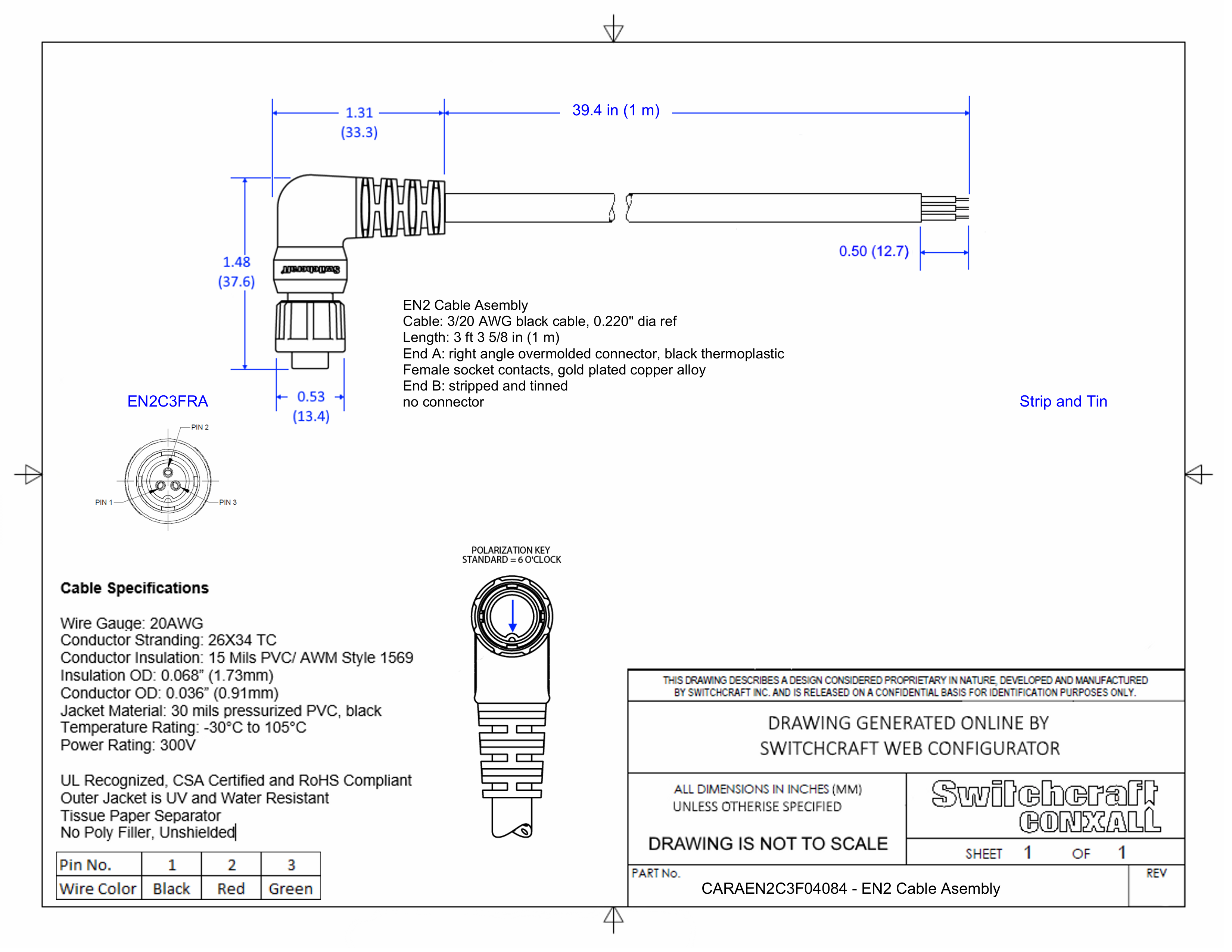
CARAEN2C3F04084

EN2 Cable Assembly, 3 Position Right Angle, Female to Strip and Tin, 1 Meter

CARAEN2C3F04084
Drawings:
 

Buy Now

View More From This Family