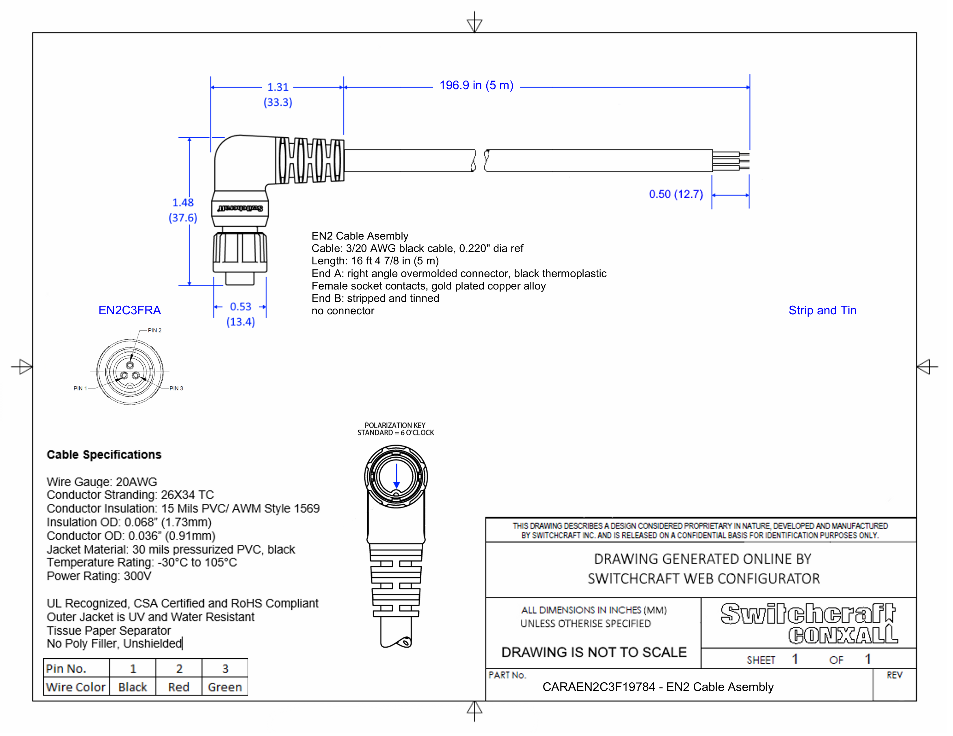
CARAEN2C3F19784

EN2 Cable Assembly, 3 Position Right Angle, Female to Strip and Tin, 5 Meter

CARAEN2C3F19784
Drawings:
 

Buy Now

View More From This Family