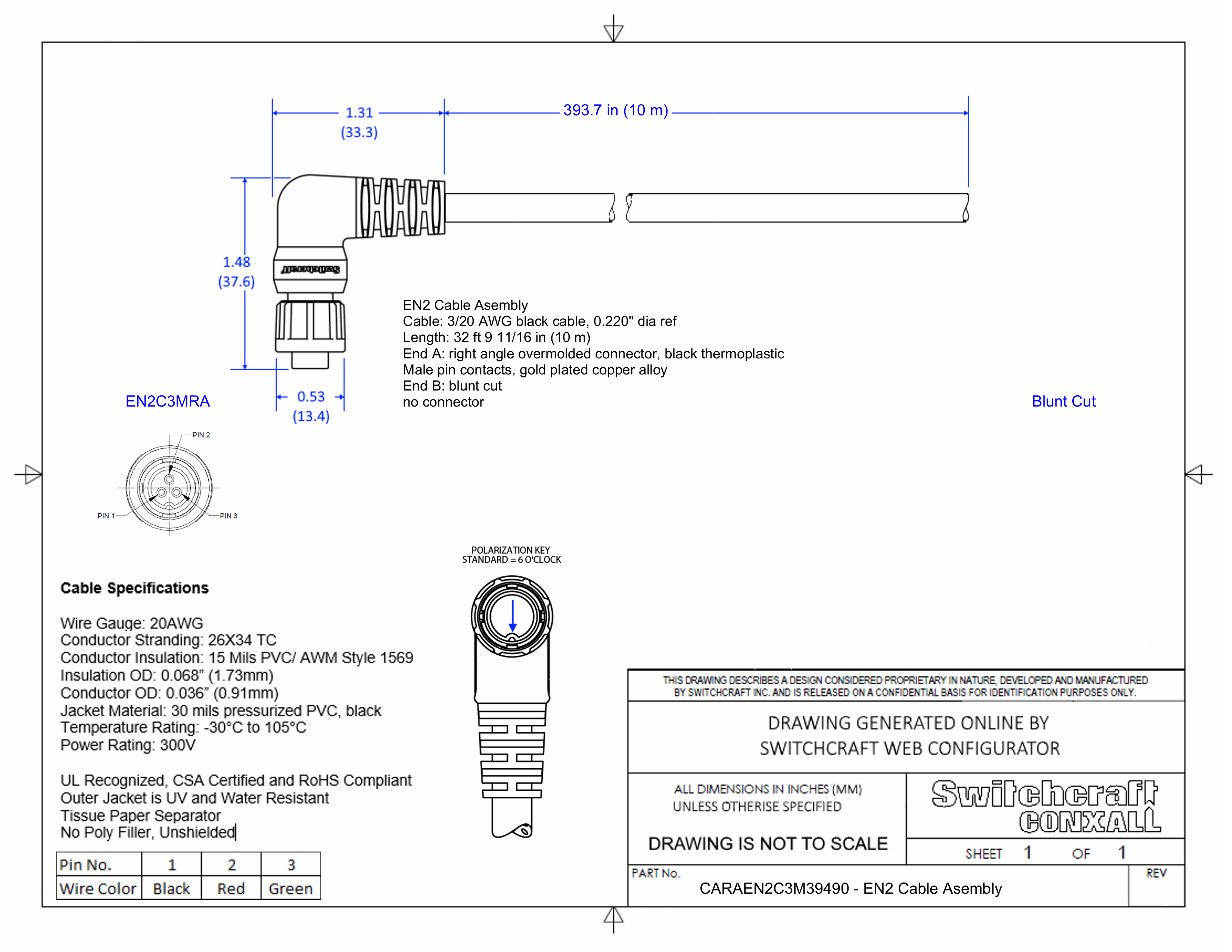
CARAEN2C3M39490

EN2 Cable Assembly, 3 Position Right Angle, Male to Blunt Cut, 10 Meter

CARAEN2C3M39490
Drawings:
 

Buy Now

View More From This Family