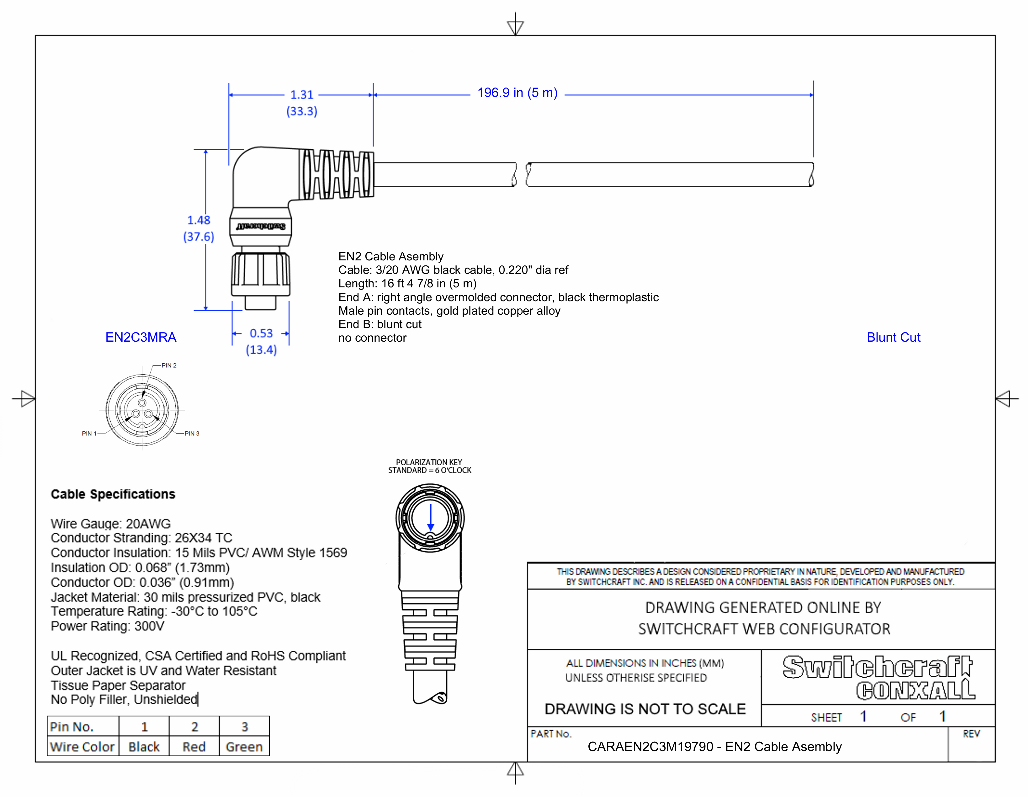
CARAEN2C3M19790

EN2 Cable Assembly, 3 Position Right Angle, Male to Blunt Cut, 5 Meter

CARAEN2C3M19790
Out of stock
Drawings:
 

Buy Now

View More From This Family