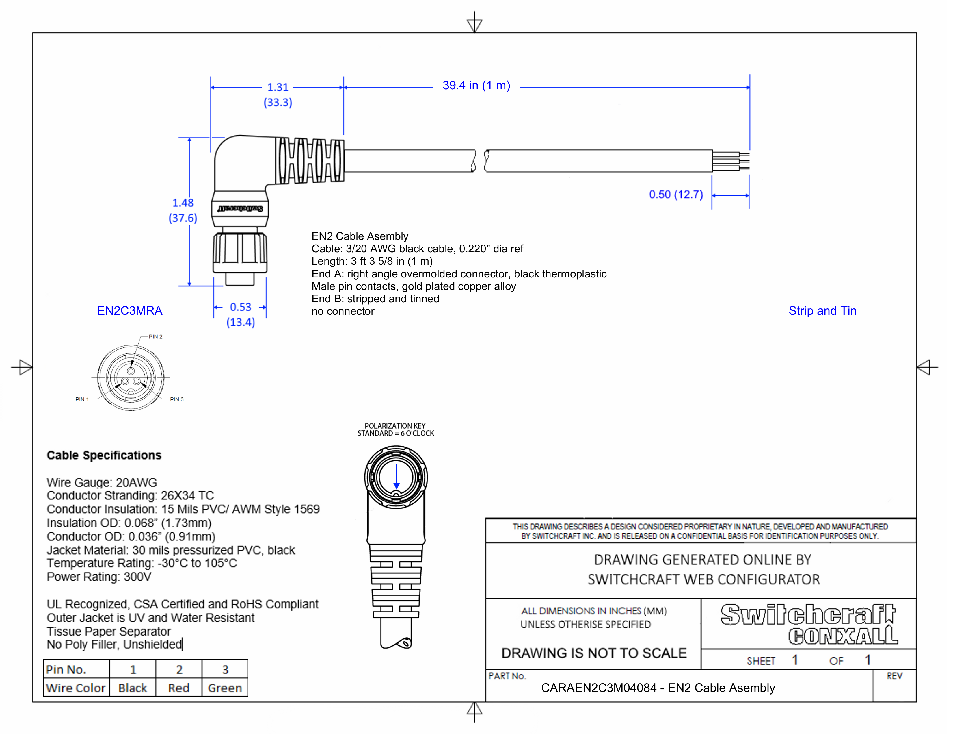
CARAEN2C3M04084

EN2 Cable Assembly, 3 Position Right Angle, Male to Strip and Tin, 1 Meter

CARAEN2C3M04084
Drawings:
 

Buy Now

View More From This Family