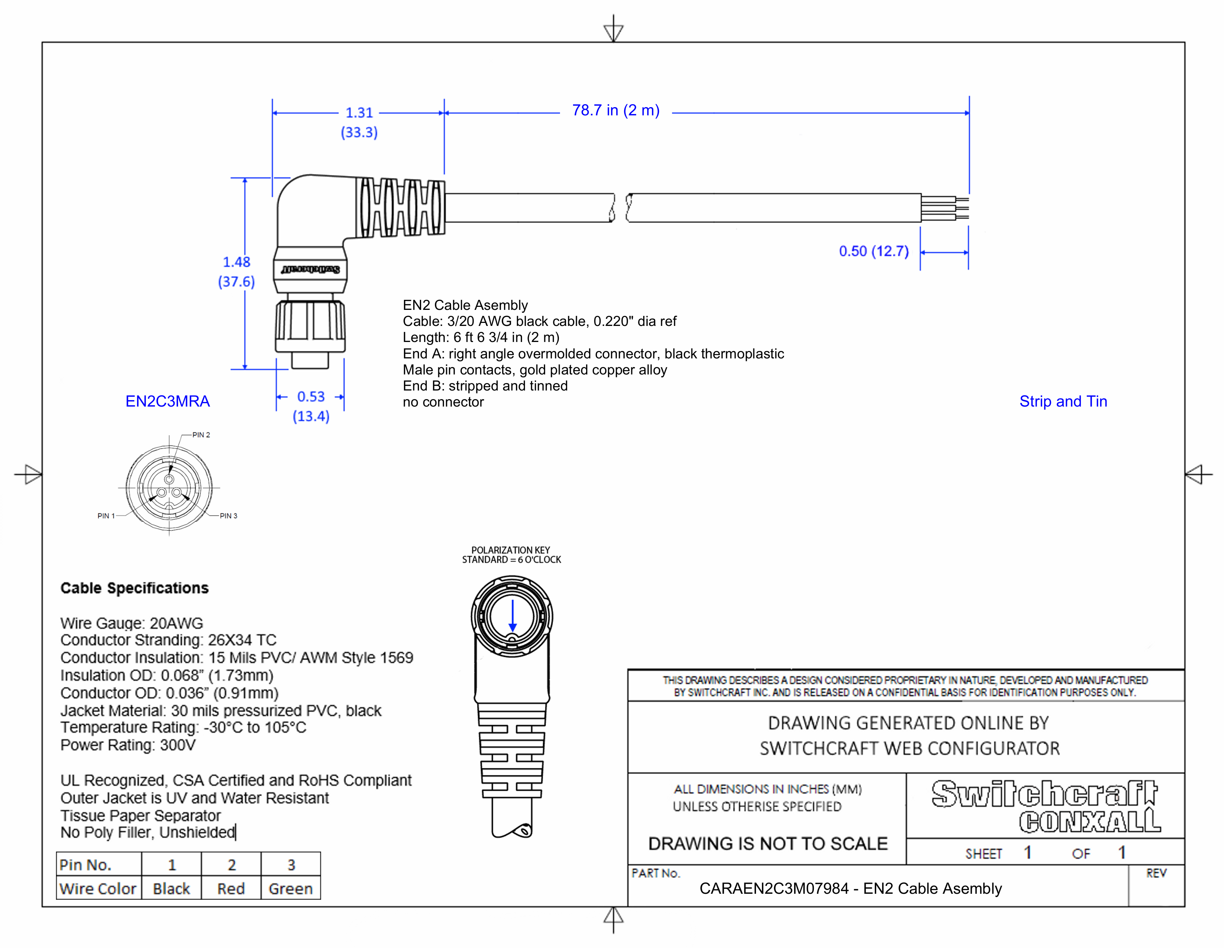
CARAEN2C3M07984

EN2 Cable Assembly, 3 Position Right Angle, Male to Strip and Tin, 2 Meter

CARAEN2C3M07984
Drawings:
 

Buy Now

View More From This Family