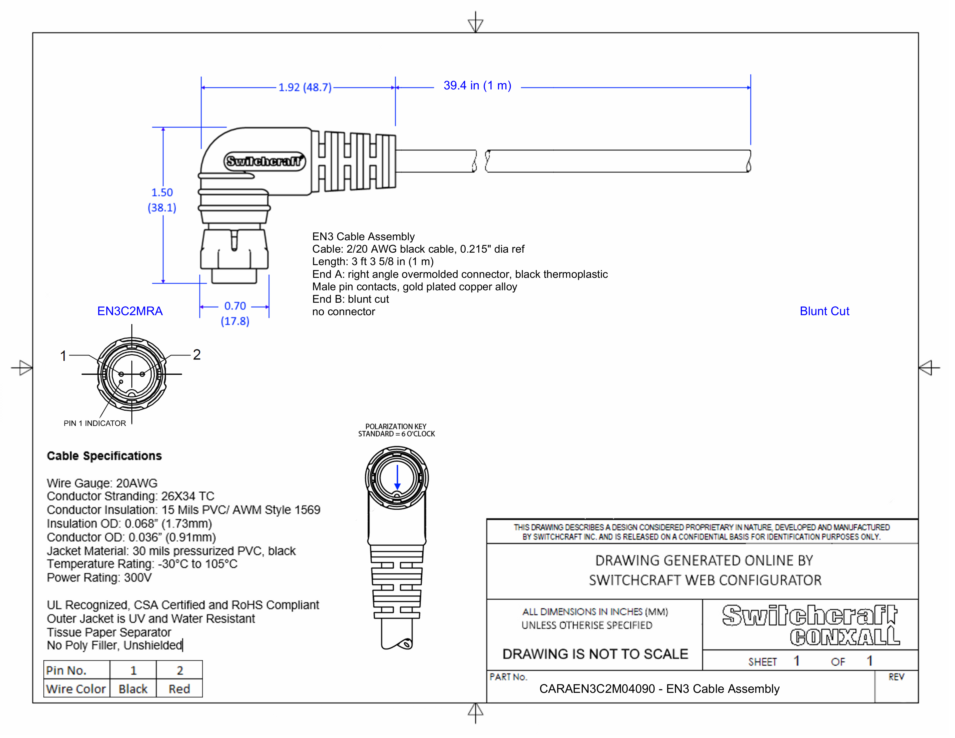
CARAEN3C2M04090

EN3 Cable Assembly, 2 Position Right Angle, Male to Blunt Cut, 1 Meter

CARAEN3C2M04090
Drawings:
 

Buy Now

View More From This Family