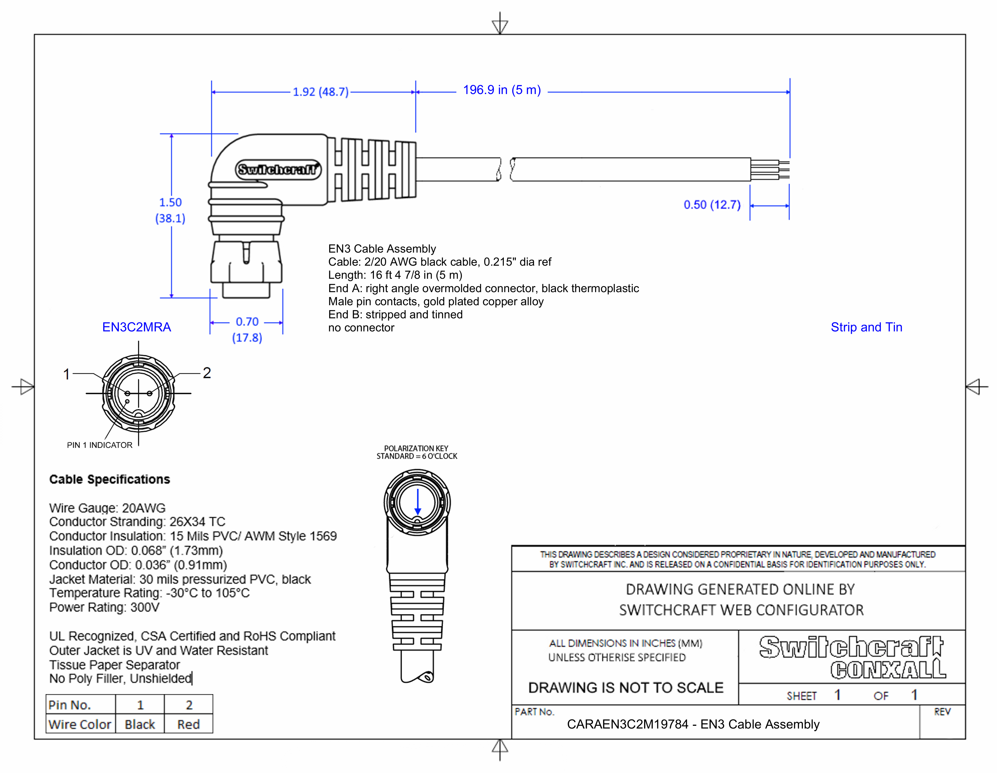
CARAEN3C2M19784

EN3 Cable Assembly, 2 Position Right Angle, Male to Strip and Tin, 5 Meter

CARAEN3C2M19784
Drawings:
 

Buy Now

View More From This Family