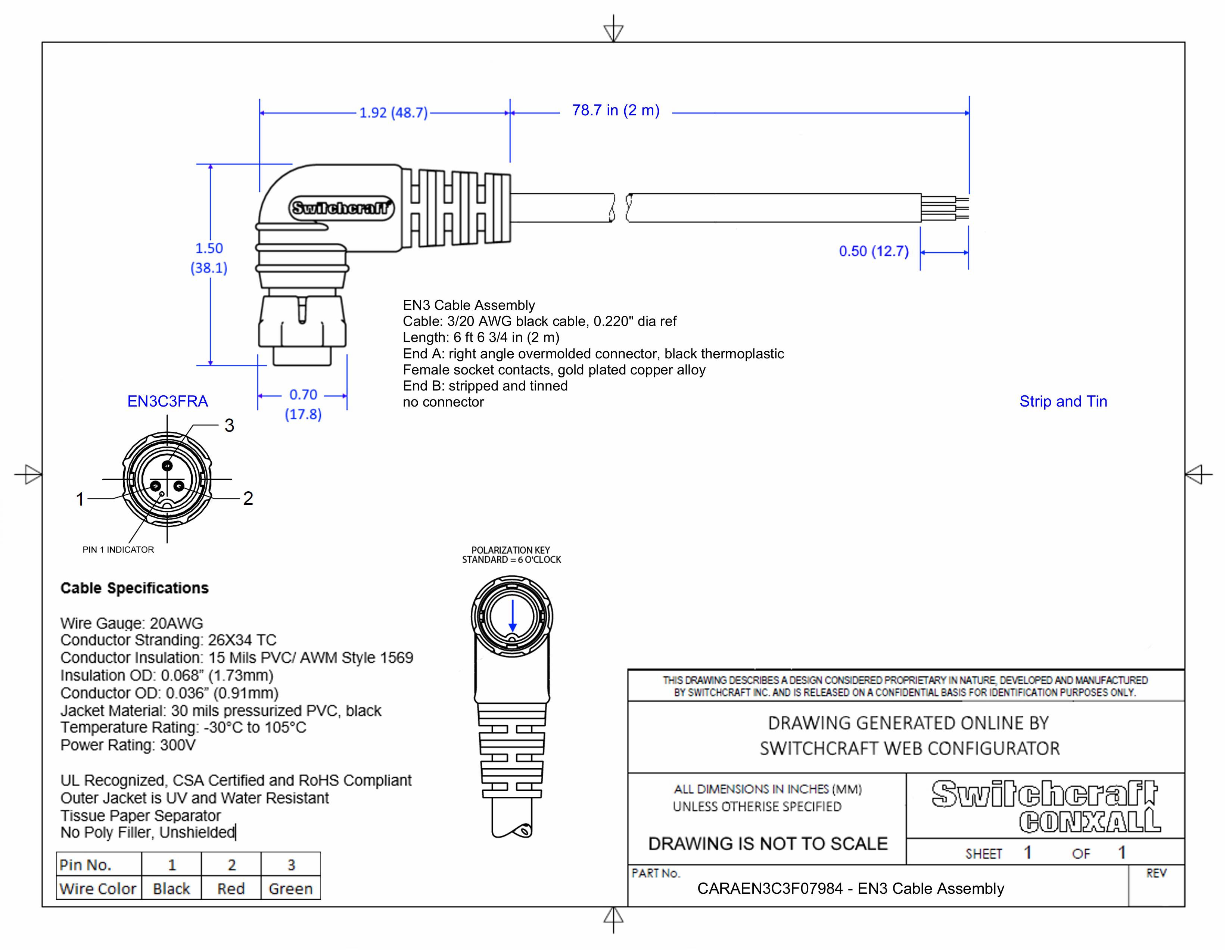
CARAEN3C3F07984

EN3 Cable Assembly, 3 Position Right Angle, Female to Blunt Cut, 2 Meter

CARAEN3C3F07984
Drawings:
 

Buy Now

View More From This Family