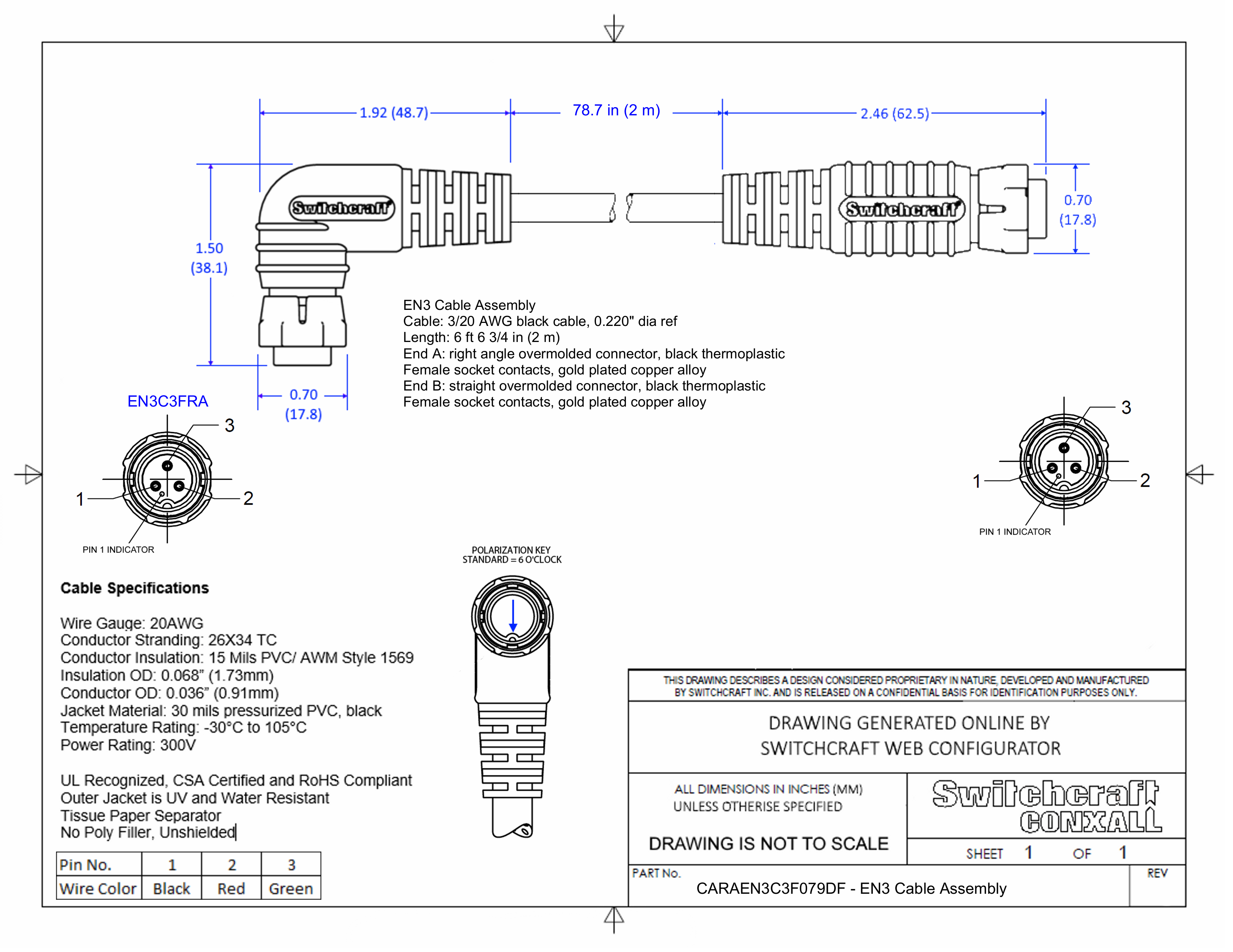
CARAEN3C3F079DF

EN3 Cable Assembly, 3 Position Right Angle, Female to Female, 2 Meter

CARAEN3C3F079DF
Drawings:
 

Buy Now

View More From This Family