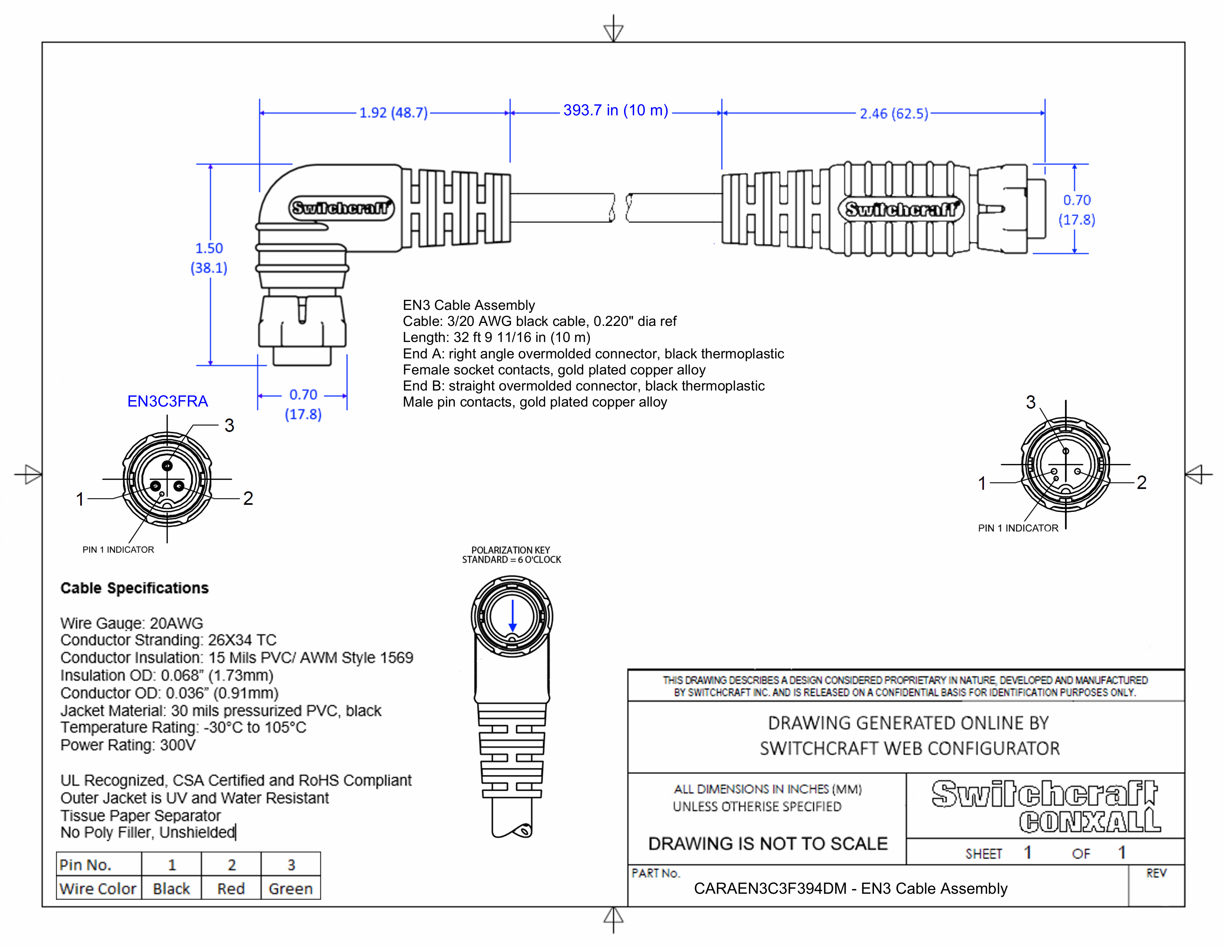
CARAEN3C3F394DM

EN3 Cable Assembly, 3 Position Right Angle, Female to Male, 10 Meter

CARAEN3C3F394DM
Drawings:
 

Buy Now

View More From This Family