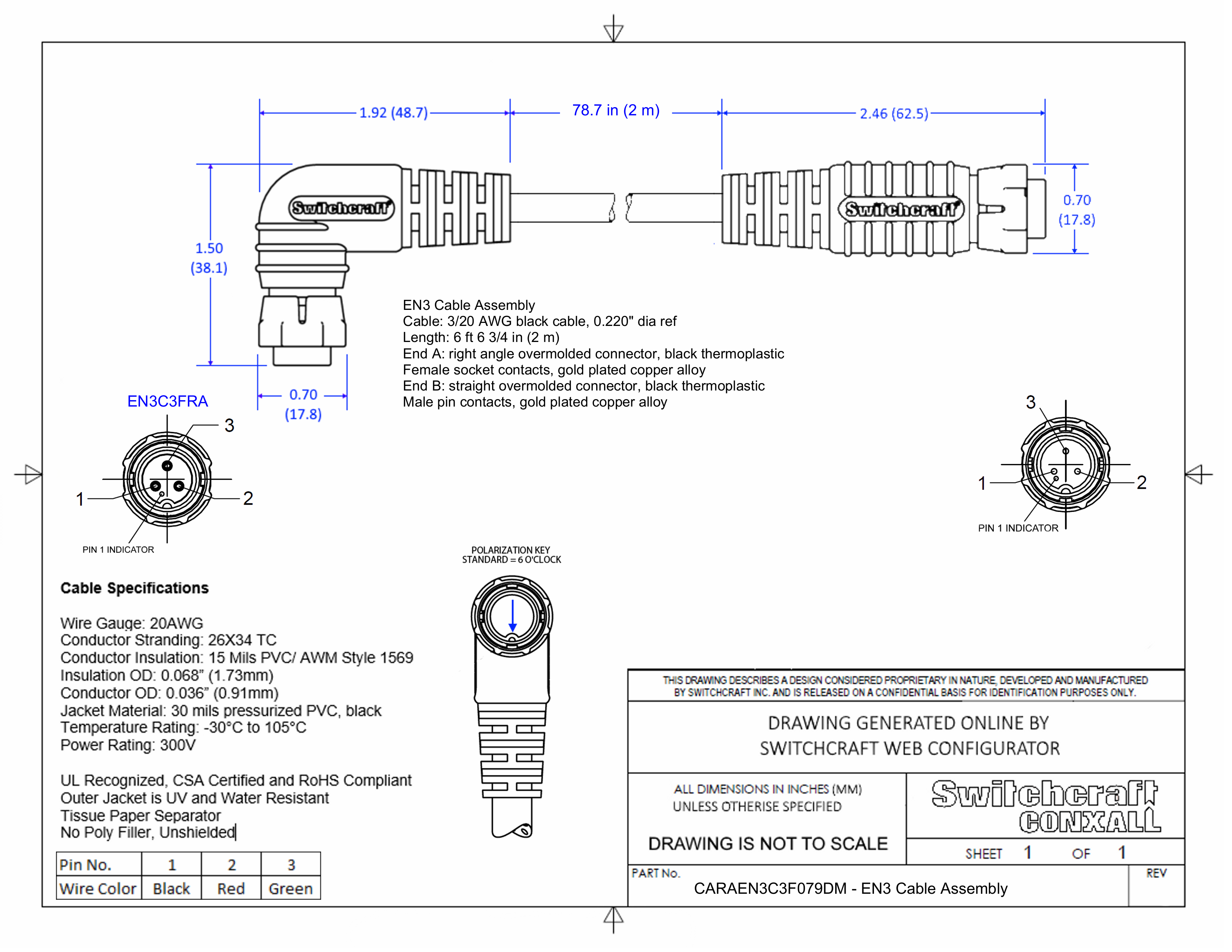
CARAEN3C3F079DM

EN3 Cable Assembly, 3 Position Right Angle, Female to Male, 2 Meter

CARAEN3C3F079DM
Drawings:
 

Buy Now

View More From This Family