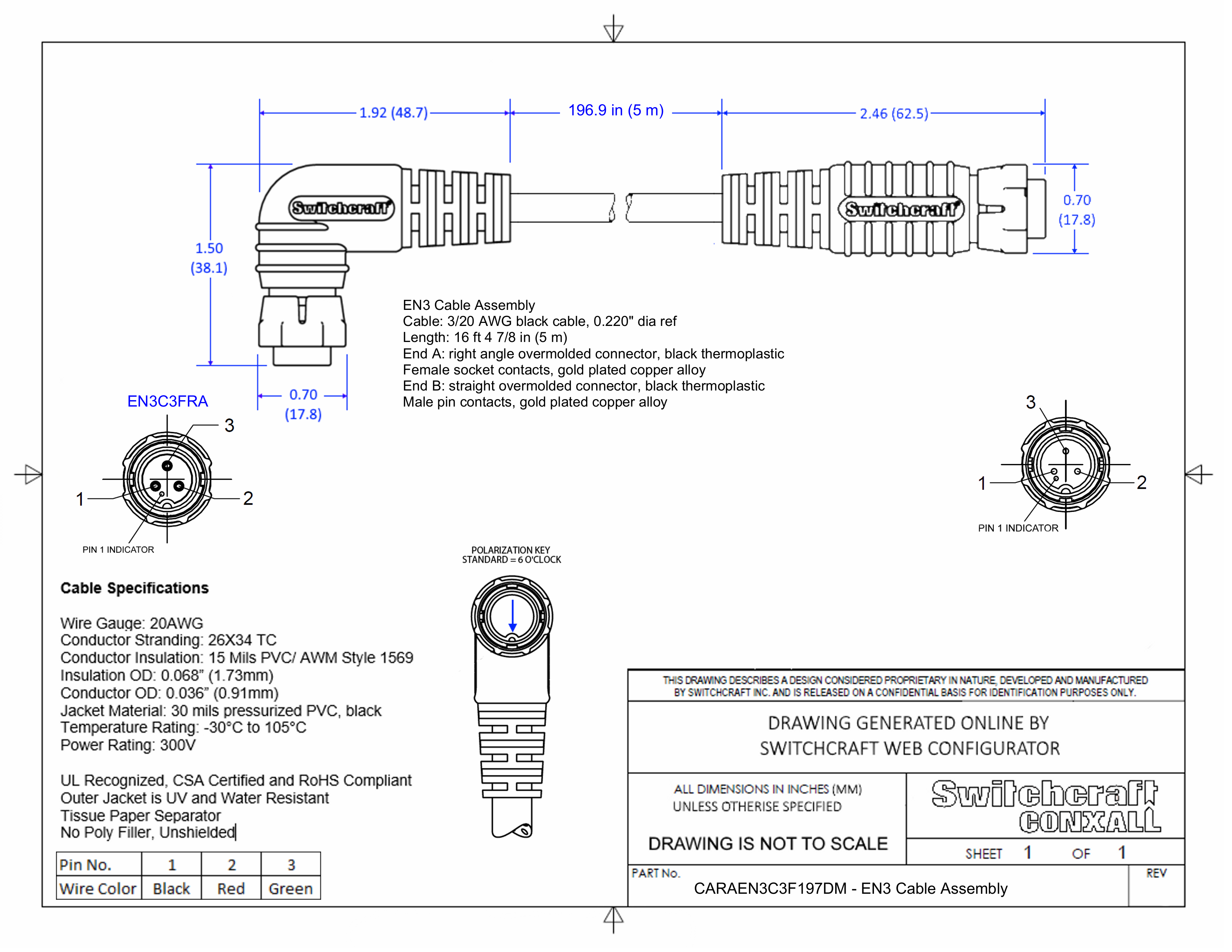
CARAEN3C3F197DM

EN3 Cable Assembly, 3 Position Right Angle, Female to Male, 5 Meter

CARAEN3C3F197DM
Drawings:
 

Buy Now

View More From This Family