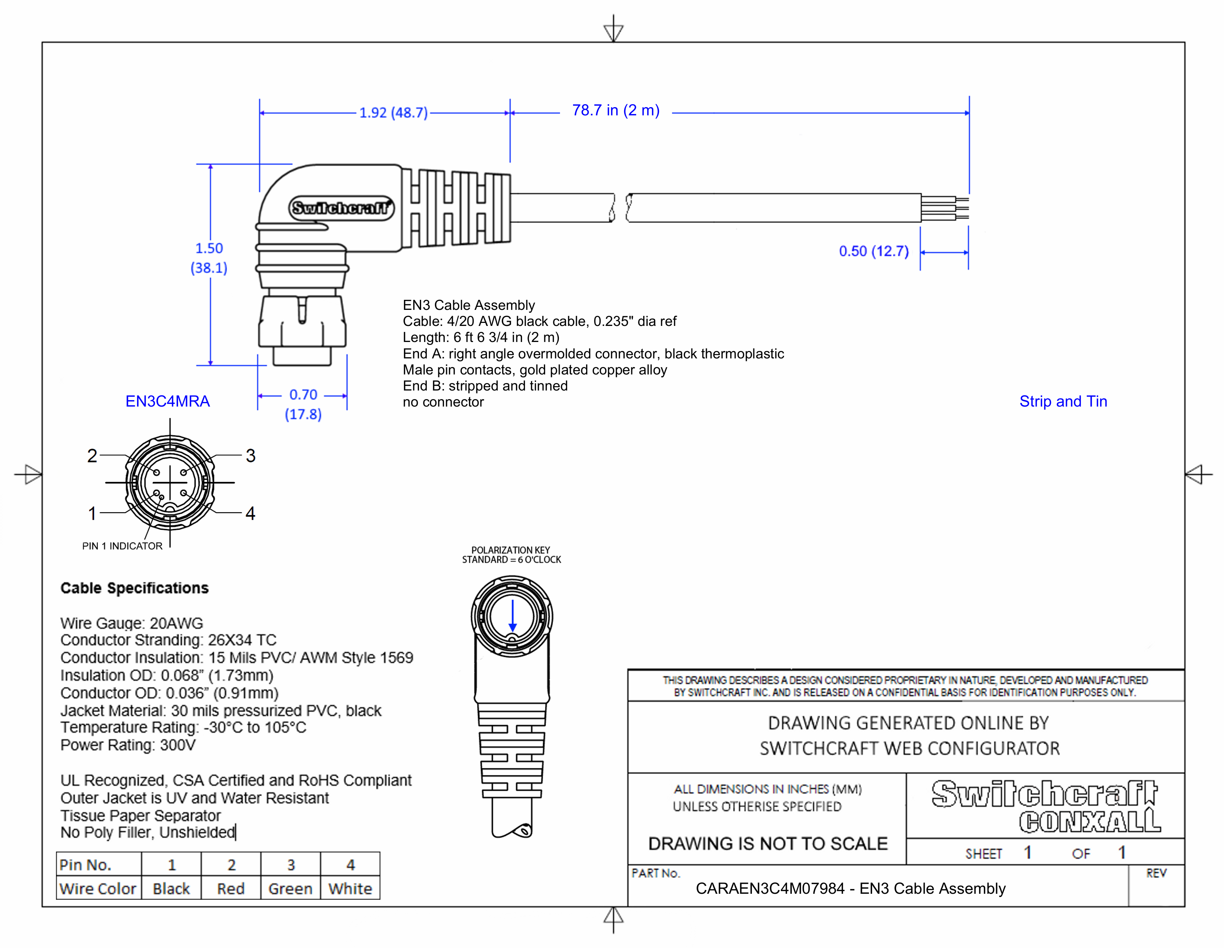
CARAEN3C4M07984

EN3 Cable Assembly, 4 Position Right Angle, Male to Strip and Tin, 2 Meter

CARAEN3C4M07984
Drawings:
 

Buy Now

View More From This Family