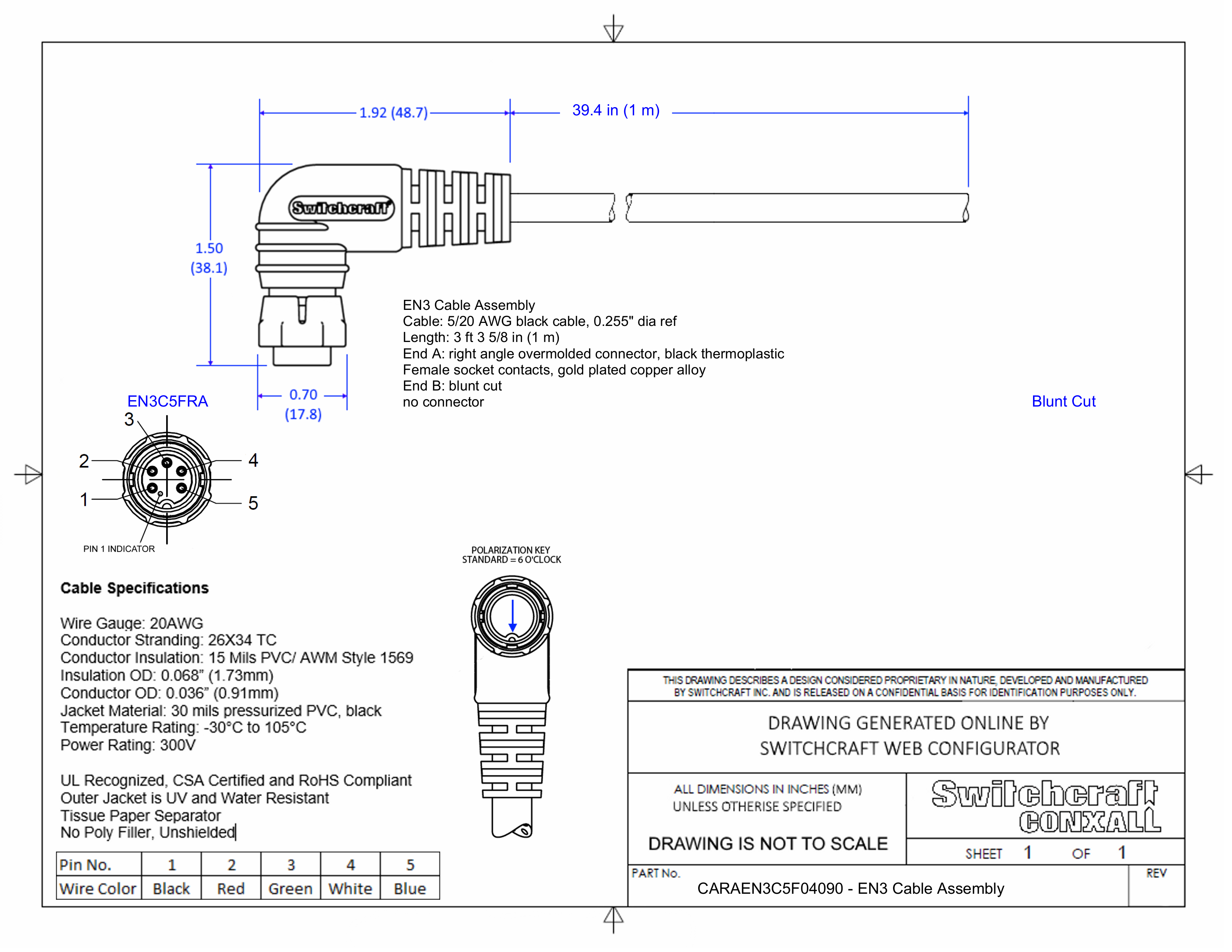
CARAEN3C5F04090

EN3 Cable Assembly, 5 Position Right Angle, Female to Blunt Cut, 1 Meter

CARAEN3C5F04090
Drawings:
 

Buy Now

View More From This Family