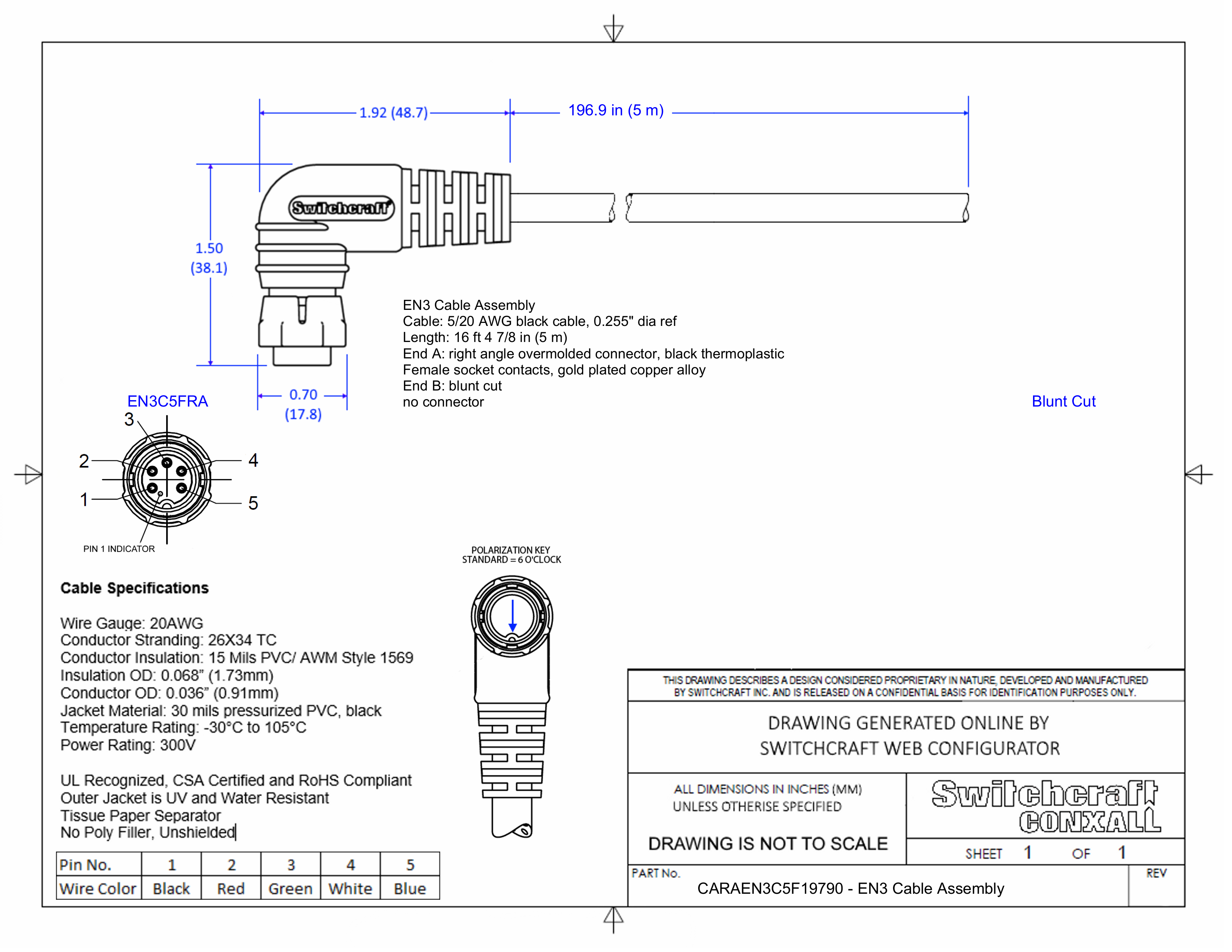
CARAEN3C5F19790

EN3 Cable Assembly, 5 Position Right Angle, Female to Blunt Cut, 5 Meter

CARAEN3C5F19790
Drawings:
 

Buy Now

View More From This Family