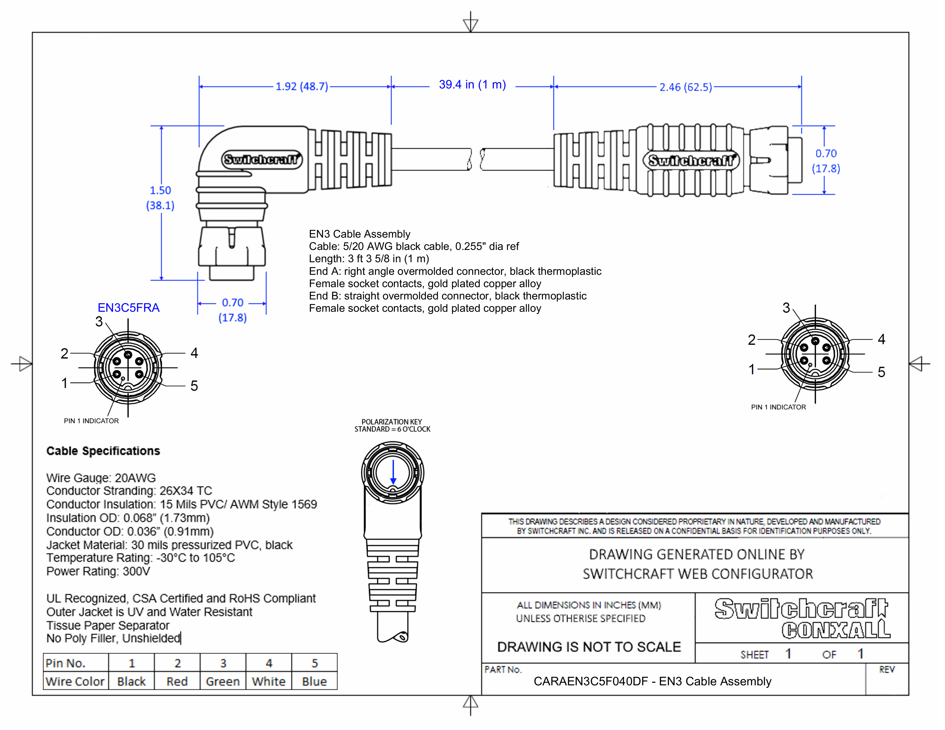
CARAEN3C5F040DF

EN3 Cable Assembly, 5 Position Right Angle, Female to Female, 1 Meter

CARAEN3C5F040DF
Drawings:
 

Buy Now

View More From This Family