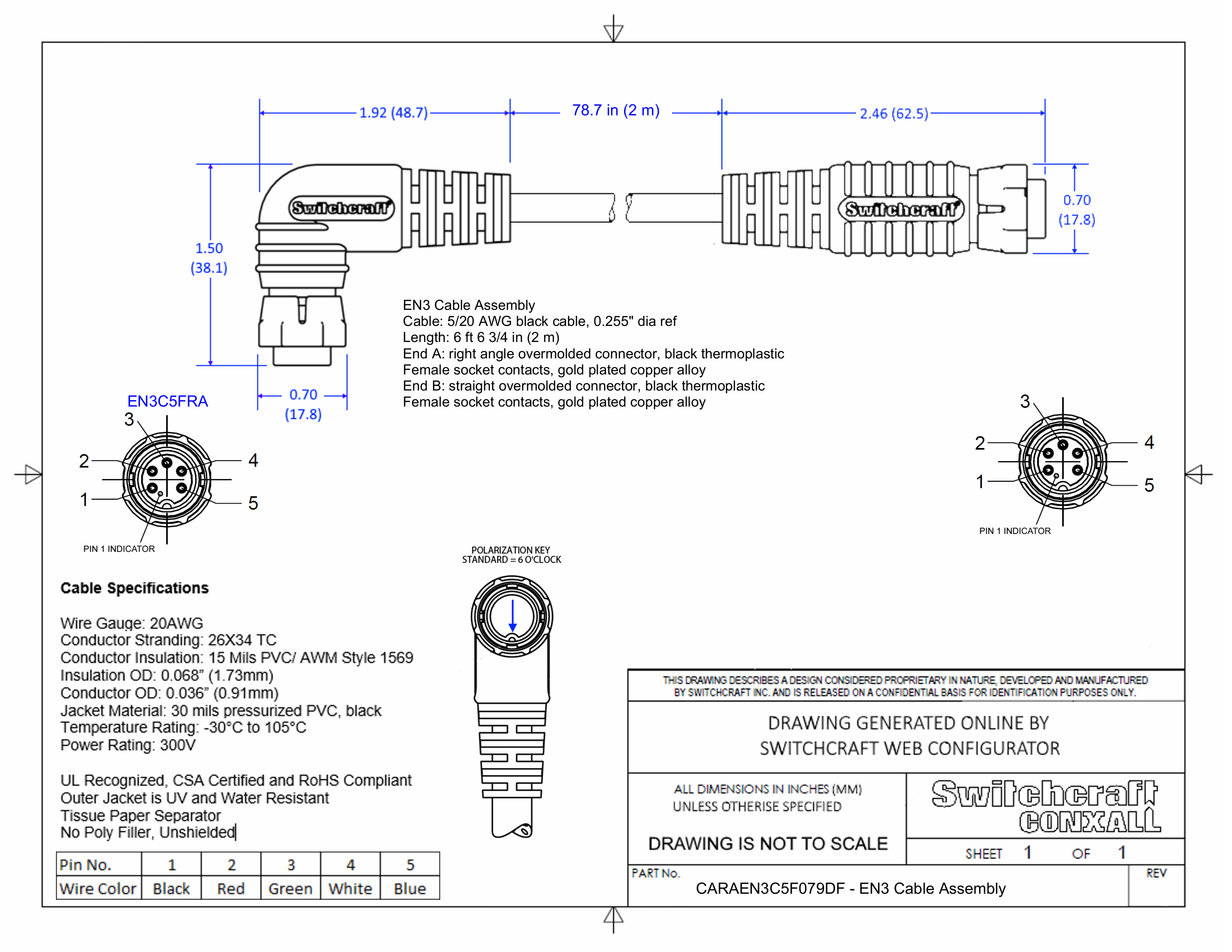
CARAEN3C5F079DF

EN3 Cable Assembly, 5 Position Right Angle, Female to Female, 2 Meter

CARAEN3C5F079DF
Drawings:
 

Buy Now

View More From This Family