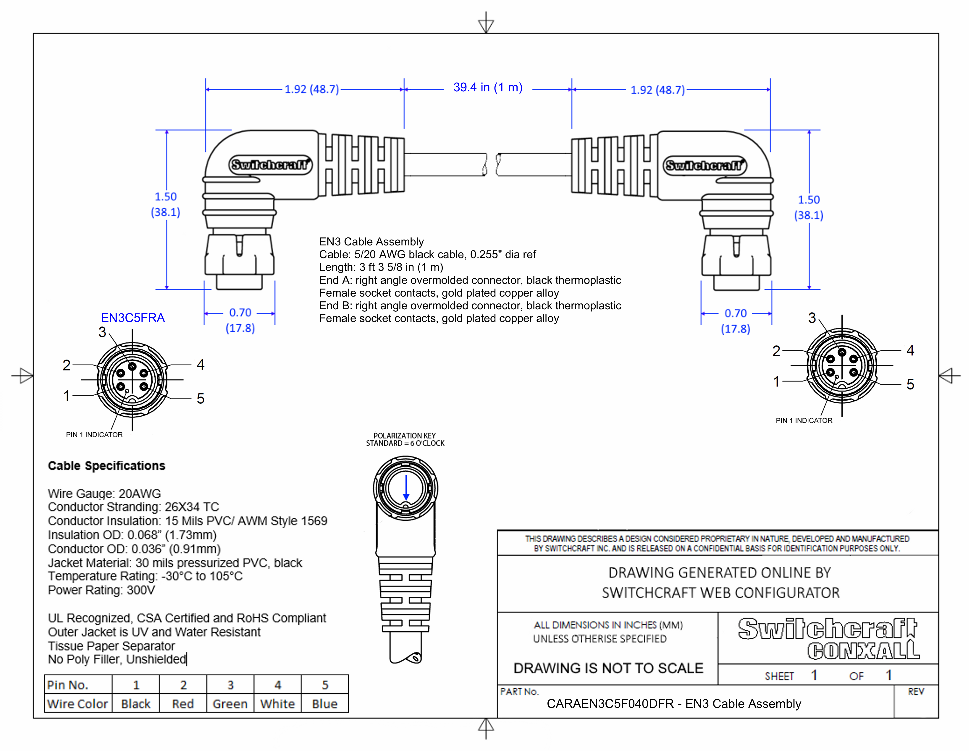
CARAEN3C5F040DFR

EN3 Cable Assembly, 5 Position Right Angle, Female to Right Angle Female, 1 Meter

CARAEN3C5F040DFR
Drawings:
 

Buy Now

View More From This Family