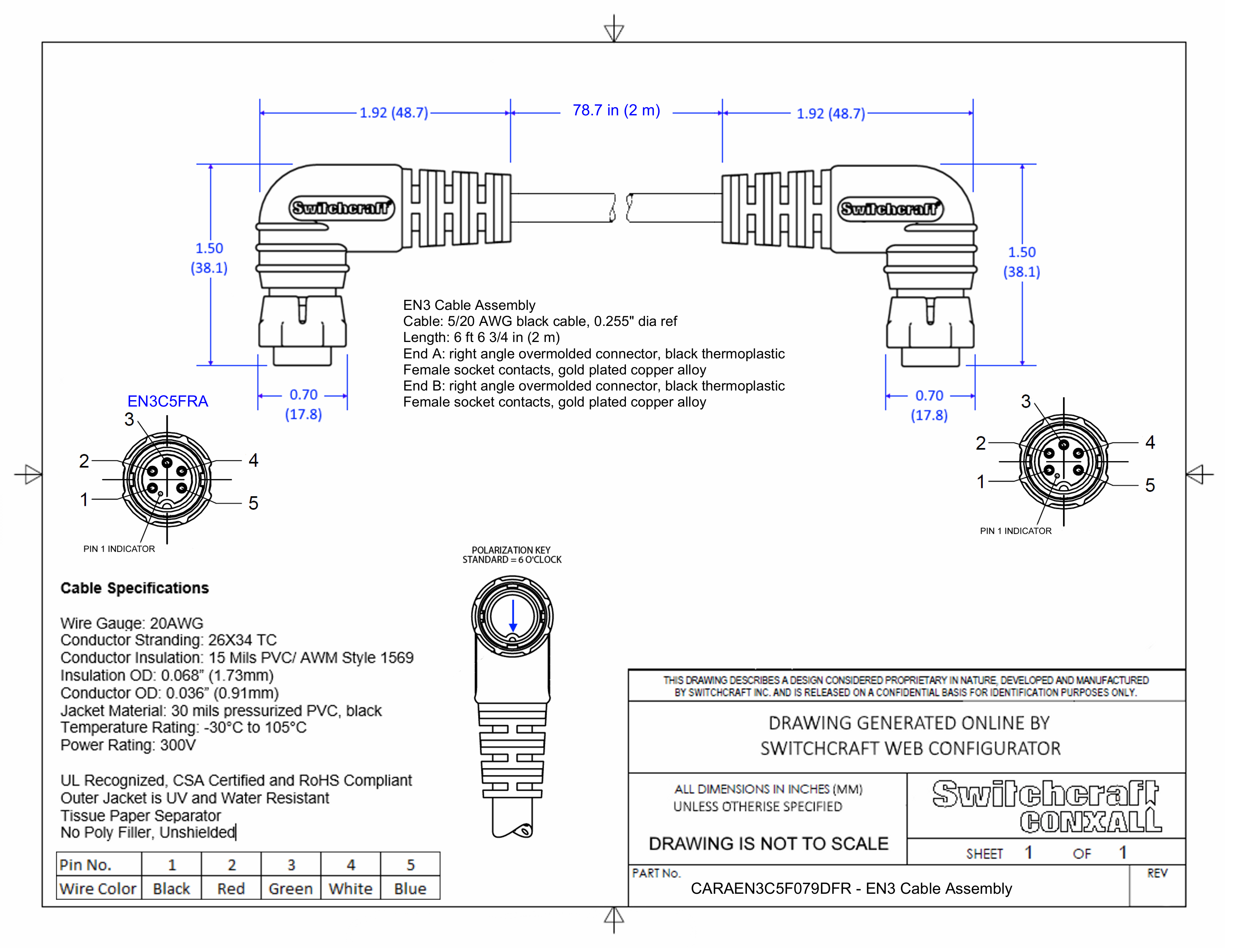
CARAEN3C5F079DFR

EN3 Cable Assembly, 5 Position Right Angle, Female to Right Angle Female, 2 Meter

CARAEN3C5F079DFR
Drawings:
 

Buy Now

View More From This Family