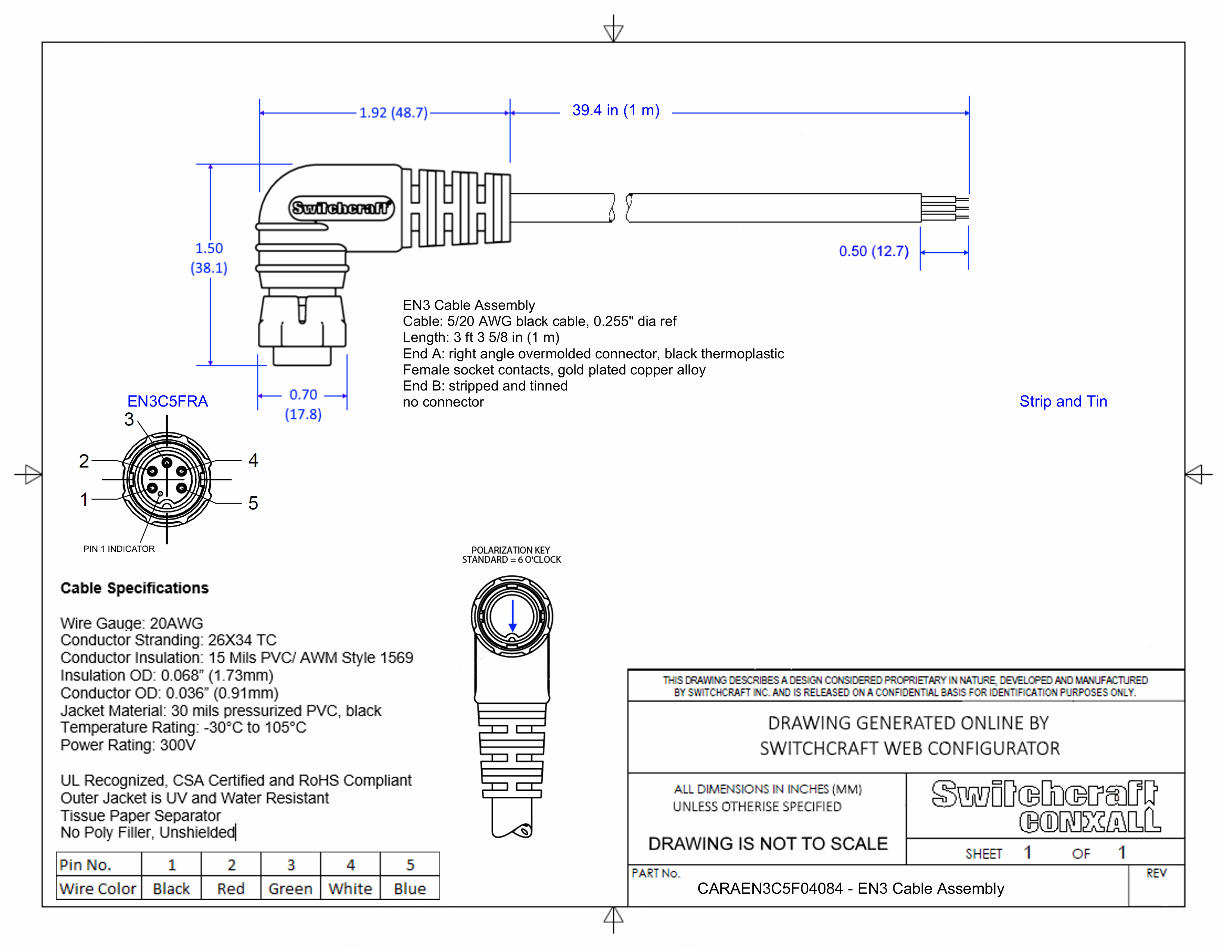
CARAEN3C5F04084

EN3 Cable Assembly, 5 Position Right Angle, Female to Strip and Tin, 1 Meter

CARAEN3C5F04084
Drawings:
 

Buy Now

View More From This Family