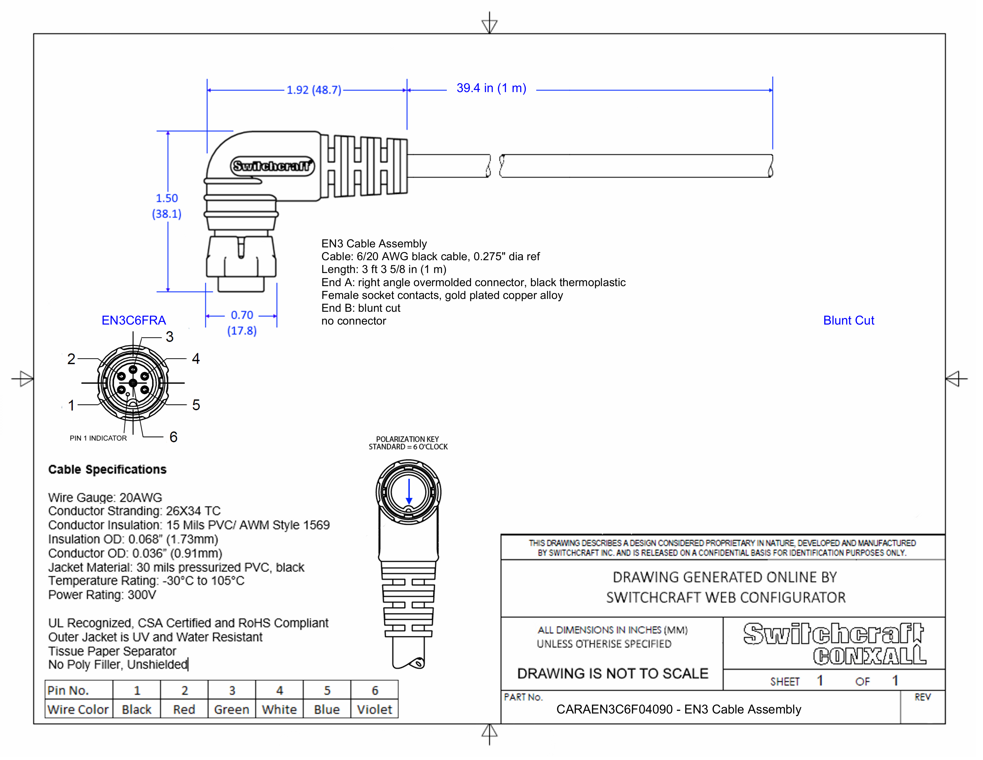
CARAEN3C6F04090

EN3 Cable Assembly, 6 Position Right Angle, Female to Blunt Cut, 1 Meter

CARAEN3C6F04090
Drawings:
 

Buy Now

View More From This Family