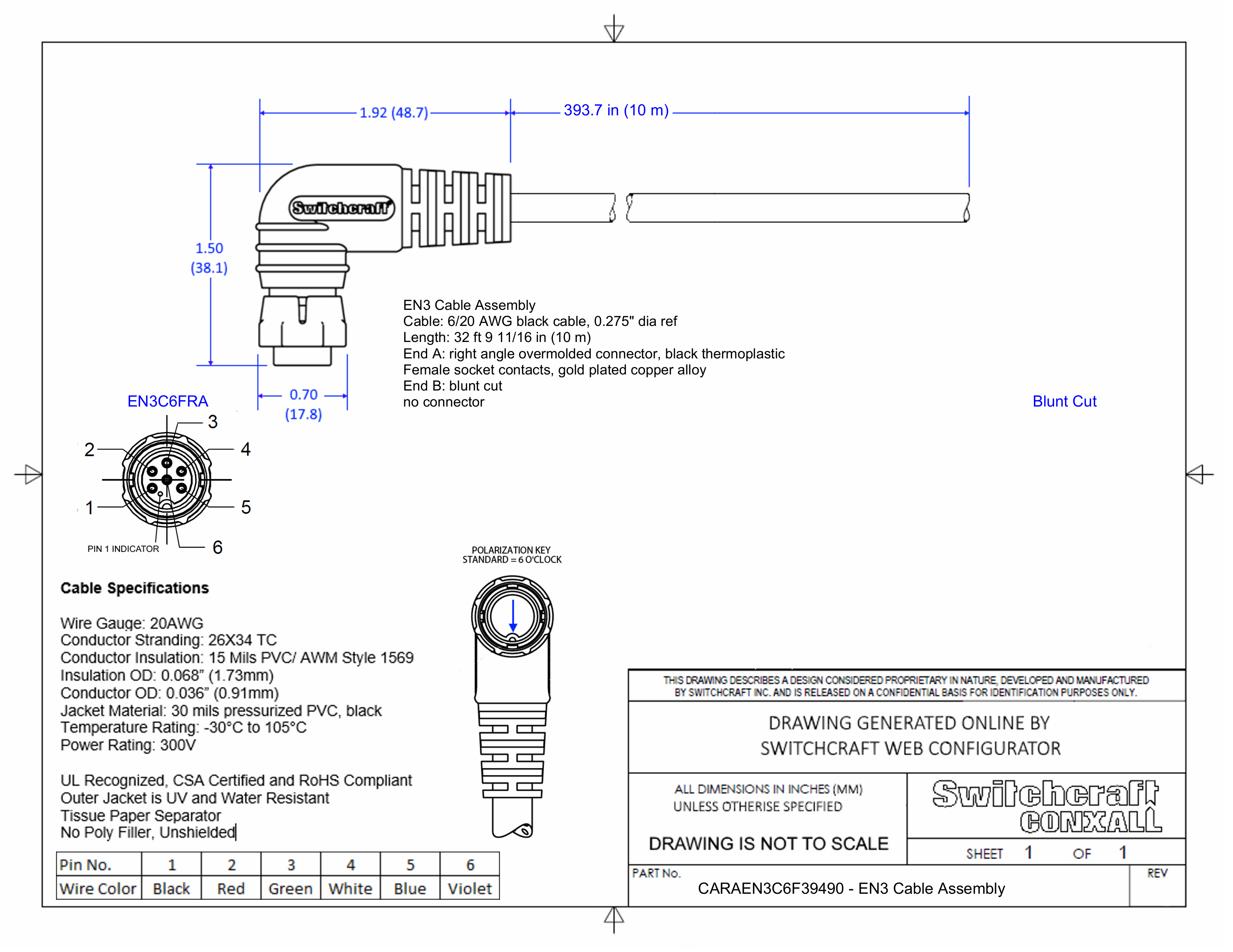
CARAEN3C6F39490

EN3 Cable Assembly, 6 Position Right Angle, Female to Blunt Cut, 10 Meter

CARAEN3C6F39490
Drawings:
 

Buy Now

View More From This Family