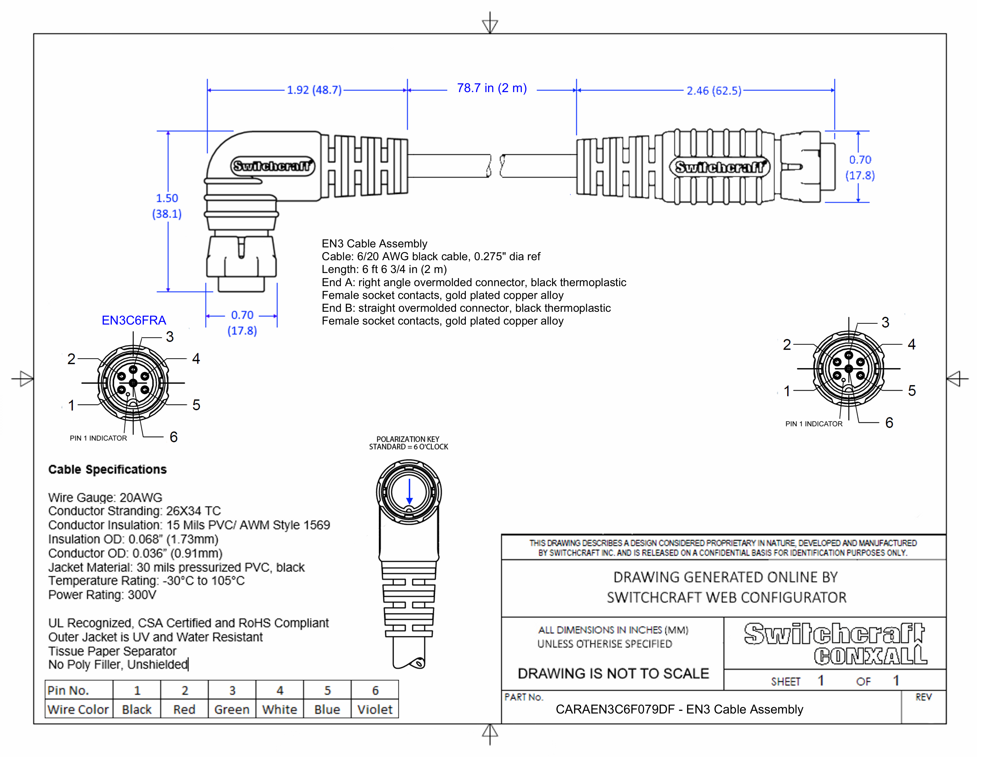
CARAEN3C6F079DF

EN3 Cable Assembly, 6 Position Right Angle, Female to Female, 2 Meter

CARAEN3C6F079DF
Drawings:
 

Buy Now

View More From This Family