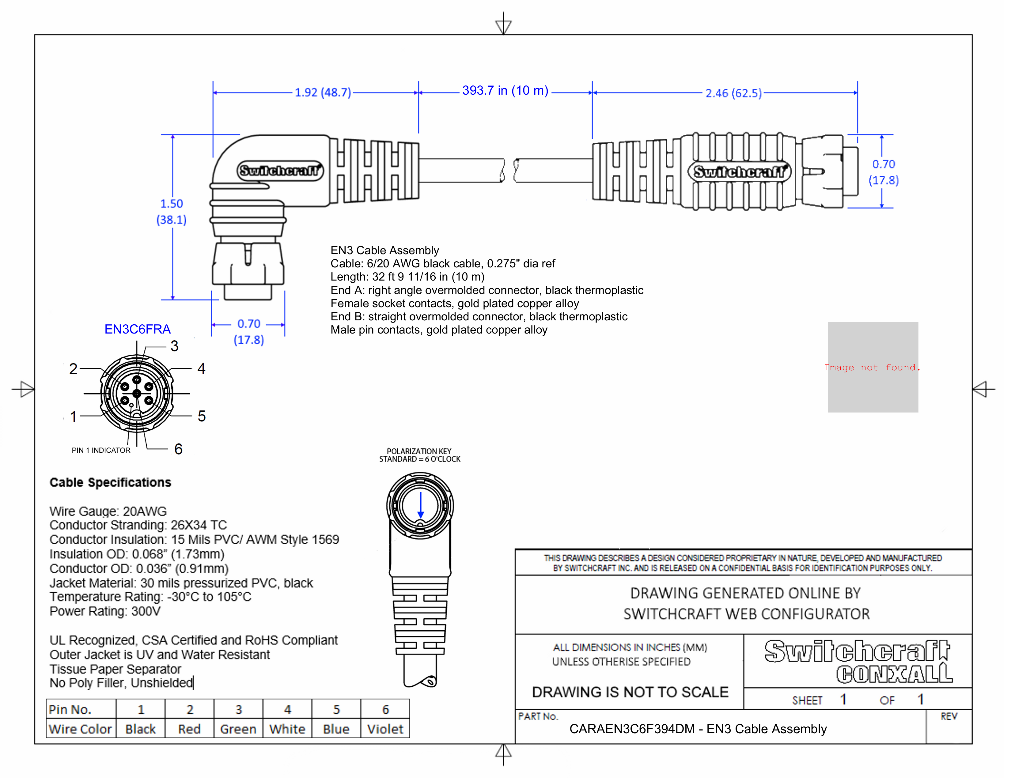
CARAEN3C6F394DM

EN3 Cable Assembly, 6 Position Right Angle, Female to Male, 10 Meter

CARAEN3C6F394DM
Out of stock
Drawings:
 

Buy Now

View More From This Family