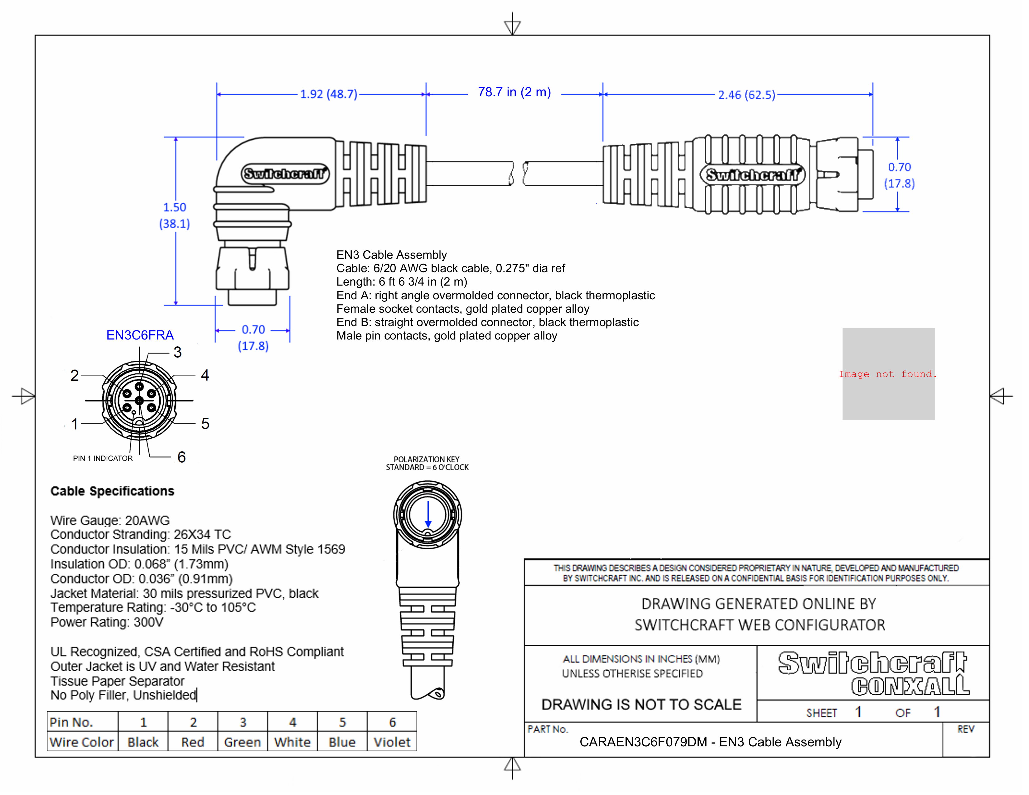
CARAEN3C6F079DM

EN3 Cable Assembly, 6 Position Right Angle, Female to Male, 2 Meter

CARAEN3C6F079DM
Drawings:
 

Buy Now

View More From This Family